MAX96705,711 Eval Kit Datasheet by Maxim Integrated
View All Related Products | Download PDF Datasheet
Evaluates: MAX96705/MAX96711
with Coax or STP Cable
MAX96705/MAX96711
Evaluation Kit
General Description
The MAX96705/MAX96711 coax evaluation kit (EV kit)
provides a proven design to evaluate the MAX96705 and
MAX96711 high-bandwidth gigabit multimedia serial link
(GMSL) serializers with spread spectrum and full-duplex
control channel, through the use of a standard FAKRA
coax or STP cable. The EV kit also includes Windows
Vista®- and Windows 7-compatible software that provides
a simple graphical user interface (GUI) for exercising
features of the device. The EV kit comes with either a
MAX96705GTJ+ or MAX96711GTJ+ IC installed.
For complete GMSL evaluation using a standard FAKRA
coax cable, order the MAX96705 or MAX96711 EV kit
and a companion deserializer board (the MAX96706 or
MAX96708 EV kit are referenced in this document). For
testing with STP cable, also order the MAXCOAX2STP-
HSD adapter kit and refer to its data sheet. Only one
adapter kit is required per link (connecting the serializer
and deserializer boards).
Note: In the following sections, MAX96705/11 and the
term “serializer” refer to the MAX96705 or MAX96711 ICs
and MAX96706/08 and the term “deserializer” refer to the
MAX96706 or MAX96708 ICs.
Note: This document applies to both coax and STP EV
kits. This document covers coax cables, but the informa-
tion provided applies equally to STP cables.
Features
●Accepts 16-Bit Parallel Input Data and Outputs
GMSL Serial Data through FAKRA Connectors
●Windows Vista-, and Windows 7-Compatible
Software
●USB-Controlled Interface (Cable Included)
●USB Powered
●Proven PCB Layout
●Fully Assembled and Tested
19-8432; Rev 1; 3/16
Ordering Information appears at end of data sheet.
Windows and Windows Vista are registered trademarks and
registered service marks of Microsoft Corporation.
DECRIPTION QTY
MAX96705 or MAX96711 coax EV kit board 1
USB cable 1
FILE DECRIPTION
MAXSerDesEV-N_Vxxxx_
Install.EXE
Installs the EV kit files on
your computer
MAXSerDesEV-N.EXE Graphical user interface
(GUI) program
CDM20600.EXE Installs the USB device driver
USB_Driver_Help_200.PDF USB driver installation help
file
Items Included in the EV Kit Package
MAX96705/MAX96711 EV Kit Files

Maxim Integrated
│
2
www.maximintegrated.com
Evaluates: MAX96705/MAX96711
with Coax or STP Cable
MAX96705/MAX96711
Evaluation Kit
Quick Start
Required Equipment
●MAX96705 or MAX96711 serializer EV kit
●MAX96706 or MAX96708 deserializer EV kit
●2m FAKRA cable assembly (included with the
deserializer EV kit)
●> 20MHz function generator
●PC with Windows Vista or Windows 7 and a spare
USB port (direct 500mA connection required; do not
use a bus-powered hub)
●5V DC, 500mA power supply
Note: In the following sections, software-related items are
identified by bolding. Text in bold refers to items from the
EV kit software. Text in bold and underlined refers to
items from the Windows operating system.
Procedure
The EV kit is fully assembled and tested. Follow the steps
below to verify board operation:
1) Visit www.maximintegrated.com/EVkitsoftware to
download and install the latest version of the EV kit
software:
●Search for MAX9288. Then select MAX9288 |
Design Resources | Software | GMSL SerDes
Evaluation Kit Software-Nuvoton.
●The installation application will try to download
and install the USB driver for the Nuvoton micro-
controller. If the USB driver installation was not
successful, install the appropriate USB driver for
your PC available from the link below, and refer
to the USB_Driver_Help_200.PDF file, if needed:
www.ftdichip.com/Drivers/VCP.htm.
2) Verify that jumpers on the serializer board are in their
default positions, as shown in Figure 14.
3) Verify that jumpers on the deserializer board are in
their default positions, as shown in Figure 15.
4) Set up the system, as shown in Figure 1.
5) Connect the FAKRA cable from the OUT+ termi-
nal on the serializer board to the IN0+ terminal
on the deserializer board. Both the serializer and
deserializer evaluation boards have power-over-coax
(POC) circuitry that is active by default, configured
such that the deserializer board is the source of the
power for the serializer board.
6) Connect the USB cable between the PC and USB
port on the Nuvoton microcontroller daughter board
on the serializer board.
7) Verify that LED_PWR on the deserializer board lights
up, indicating that the deserializer board has power.
8) Verify that LED_PWR on the serializer board lights
up, indicating that the serializer board has power.
Both serializer and deserializer have a power-over-
coax (POC) circuit that is active by default.
9) Verify that LOCK_LED on the deserializer
board lights up, indicating that the link has been
successfully established. If the LOCK_LED is
off, or ERR_LED is on, go to the Troubleshoot-
ing section and fix the problem before continuing.
Note: If you are working with an earlier version of
the deserializer IC, you must write value of 0xA6 to
register address 0x9b at slave address 0x90 to
enable the control channel. In the current revision of
the IC, this step is no longer needed.
10) Start the EV kit software by selecting Start |
Programs | Maxim Integrated | MAXSerDesEV-N |
MAXSerDesEV-N.
11) The Configuration Settings window opens (see
Figure 2) and the GUI automatically searches for
any active listener in both I2C and UART mode and
identifies a valid GMSL product. Once a valid device
is identified, the corresponding configuration jumpers
are displayed to help users configure the serializer
and deserializer.
12) In case an operating evaluation board with a
Nuvoton microcontroller is not found, a window
appears (Figure 3) warning as such. Press OK to
continue and start the GUI anyway, or press Cancel to
terminate the application. See the Troubleshoot-
ing section at the end of this document and fix the
problem before continuing.
13) When an operating Nuvoton microcontroller is found,
the GUI checks the firmware version in the microcon-
troller and prompts the user to update (Figure 4).
14) While the Configuration Settings window is open,
press the Identify Devices button to search for the
devices connected.
15) Only Link Type and Device Address selections on
the Configuration Settings window affects the EV
kit operation. Other items are for user reference only.
16) Press the Connect button to open the
Evaluation Kit window and the devices under test
(DUT) register maps (Figure 5). The GUI will read all
internal registers of the serializer and deserializer and
update the corresponding tabs.

Maxim Integrated
│
3
www.maximintegrated.com
Evaluates: MAX96705/MAX96711
with Coax or STP Cable
MAX96705/MAX96711
Evaluation Kit
17) Press the Read All MAX96705 button in the Serial-
izer group box to read all the serializer registers.
18) Press the MAX96705 Des tab (Figure 6) and
then press the Read All MAX96706 button in the
Deserializer group box to read all the deserializer
registers.
19) Select any of the other tabs to evaluate other
serializer/deserializer (SerDes) functions.
Figure 1. Serializer Test Setup Block Diagram
Table 1. Jumper Description*
JUMPER SIGNAL SHUNT
POSITION FUNCTION
J1 +12V — +12V AC adapter input
J2 +5VIN — +5V power-supply input positive terminal
J3 GND — +5V power-supply input negative terminal
J4 OUT+ — GMSL OUT+ FAKRA connector
J5 OUT- — GMSL OUT- FAKRA connector
J6 EXT_UC — 4-pin header to apply user microcontroller
J11 U15 ch3 Open** VLC3 = U15 level shifter, channel 3 low side
VLC4 = U15 level shifter, channel 4 low side
J13 U15 ch4 Open** VHC3 = U15 level shifter, channel 3 high side
VHC4 = U15 level shifter, channel 4 high side
J23 GPIO5/LMN1
L Connected to GND
H Connected to IOVDD
Open** Not connected
J25 U4_SCL Short** μC connected to U4 oscillator
Open μC not connected to U4 oscillator
J26 IDT_OE
L U4 oscillator output not enabled
H** U4 oscillator output enabled
Open U4 oscillator OE pin not connected
J27 FSEL0
L** U4 oscillator FSEL0 pin pulled low
H U4 oscillator FSEL0 pin pulled high
Open U4 oscillator FSEL0 pin not connected (internal low)
J28 FSEL1
L** U4 oscillator FSEL1 pin pulled low
H U4 oscillator FSEL1 pin pulled high
Open U4 oscillator FSEL1 pin not connected (internal low)
J29 UC_RX/SDA
RX U1 RX/SDA pin connected to μC RX pin
SDA** U1 RX/SDA pin connected to μC SDA pin
Open U1 RX/SDA pin left open
COMPUTER
SERILIZER
(USB POWERED) OUT+
DB1
USB
NUVOTON
MICROCONTROLLER
DAUGHTER BOARD
+5VIN
PCLK
2m COAX CABLE
POWER OVER COAX (POC)
DESERIALIZER
IN+
DB1

Maxim Integrated
│
4
www.maximintegrated.com
Evaluates: MAX96705/MAX96711
with Coax or STP Cable
MAX96705/MAX96711
Evaluation Kit
Table 1. Jumper Description* (continued)
JUMPER SIGNAL SHUNT
POSITION FUNCTION
J30 GPIO2 Short Shorted to IOVDD
Open** Shorted to GND
J32 GPIO3 Short Shorted to IOVDD
Open** Shorted to GND
J33 GPIO4/LMN0
L Connected to GND
H Connected to IOVDD
Open** Not connected
J35 U4_SDA Short** μC connected to U4 oscillator
Open μC not connected to U4 oscillator
J38 PCLK_IN
IDT** U1 PCLKIN connected to U4 output
SMA U1 PCLKIN connected to PCLK_SMA connector
GND GND terminal for externally applied PCLK to J38.1
Open U1 PCLKIN pin not connected
J39 UC_TX/SCL
TX U1 TX/SCL pin connected to μC RX pin
SCL** U1 TX/SCL pin connected to μC SDA pin
Open U1 TX/SCL pin left open
J40 GPIO1/BWS
L** Connected to GND
H Connected to IOVDD
Open Not connected
J41 LCCN
L Connected to GND
H** Connected to IOVDD
Open Not connected
J42 CONF0
L** Connected to GND
H Connected to IOVDD
Open Not connected
J43 CONF1
L** Connected to GND
H Connected to IOVDD
Open Not connected
J44 HIM_HI Short U1 GPO/HIM pin pulled up to IOVDD
Open** U1 GPO/HIM state depends on J45
J45 GPO_LOW Short U1 GPO/HIM pin connected to IOVDD
Open** U1 GPO/HIM state depends on J44
J46 IOVDD_DUT Short** U1 GPO/HIM pin connected to IOVDD
Open Apply ammeter to measure current drawn by U1 IOVDD

Maxim Integrated
│
5
www.maximintegrated.com
Evaluates: MAX96705/MAX96711
with Coax or STP Cable
MAX96705/MAX96711
Evaluation Kit
Table 1. Jumper Description* (continued)
JUMPER SIGNAL SHUNT
POSITION FUNCTION
J47 MS/HVEN
L Connected to GND
H Connected to IOVDD
Open** Not connected
J48 PWDN L U1 powered down
H** U1 powered up
J50 TX/SCL/DBL
DBL-L U1 TX/SCL/DBL pin connected to GND
U15_TC/SCL U1 TX/SCL/DBL pin is connected to U15_TX/SCL
DBL-H U1 TX/SCL/DBL pin is connected to IOVDD
Open No POC
J51 POC+
POC5VOUT 5V POC is sourced by the serializer
POC5VIN** 5V POC is expected from the deserializer
POC12V 12V POC can be applied by either the serializer or deserializer
Open No POC
J52 POC-
POC5VOUT 5V POC is sourced by the serializer
POC5VIN** 5V POC is expected from the deserializer
POC12V 12V POC can be applied by either the serializer or deserializer
Open No POC
J53 VDD_REF
+3.3V** Reference voltage for external μC signals set to +3.3V
+5V Reference voltage for external μC signals set to +5V
Open Reference voltage for external μC signals applied to J6.VDD_REF
J54 EXSDAPU Short** On-board pullup applied on external μC SDA signal
Open External μC SDA signal must be pulled up externally
J55 EXSCLPU Short** On-board pullup applied on external μC SCL signal
Open External μC SCL signal must be pulled up externally
J56 LFR+ Short** Line fault can be monitored by the remote device on the OUT+ terminal
(LFAVDD must be short and LFR-, LFL+, LFL- must be open)
Open Line fault monitored by local device or OUT- terminal
J57 LFR- Short Line fault can be monitored by the remote device on the OUT- terminal
(LFAVDD must be short and LFR+, LFL+, LFL- must be open)
Open** Line fault monitored by local device or OUT+ terminal
J58 LFL+ Short Line fault can be monitored by the local device on the OUT+ terminal
(LFAVDD must be short and LFR+, LFR-, LFL- must be open)
Open** Line fault monitored by remote device or OUT- terminal
J59 LFL- Short Line fault can be monitored by the local device on the OUT- terminal
(LFAVDD must be short and LFR+, LFR-, LFL+ must be open)
Open** Line fault monitored by remote device or OUT+ terminal

Maxim Integrated
│
6
www.maximintegrated.com
Evaluates: MAX96705/MAX96711
with Coax or STP Cable
MAX96705/MAX96711
Evaluation Kit
Detailed Description of Software
To start the serializer evaluation kit GUI, select Start |
All Programs | Maxim Integrated | MAXSerDesEV-N |
MAXSerDesEV-N.
Configuration Settings Window
The Configuration Settings window is the first window
that opens after successful program launch. It allows the
user to specify serializer and deserializer board setup and
mode of operation (Figure 2).
Controller Group Box
In the Controller group box, select Coax or STP from
the Link Type drop-down list, I2C or UART from the Bus
drop-down list, and whether the Serializer or Deserializer
should be connected to the USB controller. Upon
changing any of these parameters, conflicting jumper
settings will be highlighted, guiding the user to check
and make the corresponding changes to the evaluation
boards. Only the Link Type and Device Address selec-
tions on the Configuration Settings window affect EV kit
operation. Other items, including jumper selection, are for
user reference only.
Serializer and Deserializer Jumper Selection Blocks
The Serializer and Deserializer Jumper Selection blocks
list jumpers on the evaluation boards of the selected
Device ID and displays the correct shunt positions based
on the conditions selected in the Controller block.
Identify Devices Button
The Identify Devices button causes the GUI to scan
the system and hunt for slave addresses on the bus.
Upon successful communication, it reads the Device ID
register from the DUTs and displays the corresponding
jumper lists on the Serializer and Deserializer Jumper
Selection blocks. It is also possible to select a device from
the Device ID drop-down list and manually change the
slave address in the Device Address edit box. It is a good
practice to utilize the Identify Devices button and
verify communication with the DUTs before attempting
to Connect.
Figure 14 shows jumper settings on the serializer PCB
for coax cable and I2C communication with a USB cable
connected to the serializer board. Refer to the respective
SerDes IC data sheets for detailed configuration informa-
tion. See Table 1 for the serializer jumper descriptions.
Connect Button
The Connect button opens the Evaluation Kit window.
The GUI reads the SerDes registers and updates the
register maps for both. Successful register map updates
are indicated by green LED indicators. In case of a
communication problem, the LED indicators turn red.
Cancel - Do not Connect Button
The Cancel- Do Not Connect button opens the
Evaluation Kit main window without attempting to
connect to the microcontroller. Although there is no
communication with the microcontroller, all functions and
tabs corresponding to the selected Device IDs on the
Evaluation Kit window become active once there.
Table 1. Jumper Description* (continued)
*Jumper selections in the Serializer/Deserializer group boxes on the Configurations Settings window are for reference only and
do not affect software operation.
**Default position.
JUMPER SIGNAL SHUNT
POSITION FUNCTION
J60 LFAVDD Short** Line-fault circuit powered, connected to AVDD
Open Line fault is powered, nonfunctional
JU2 IOVDD
+3.3V** U1 IOVDD set to on-board 3.3V
EXT U1 IOVDD supplied through EXT-IOVDD terminal (J20)
+1.8V U1 IOVDD set to on-board 1.8V
JU3 DVDD INT** U1 DVDD supplied from internal source
EXT U1 DVDD supplied through EXT-DVDD terminal (J19)
JU4 AVDD INT** U1 AVDD supplied from internal source
EXT U1 AVDD supplied through EXT-AVDD terminal (J18)

Maxim Integrated
│
7
www.maximintegrated.com
Evaluates: MAX96705/MAX96711
with Coax or STP Cable
MAX96705/MAX96711
Evaluation Kit
Figure 2. MAXSerDesEV-N EV Kit Software: Configuration Settings Window (shown with MAX96705 and
MAX96706 EV Kits Connected)

Maxim Integrated
│
8
www.maximintegrated.com
Evaluates: MAX96705/MAX96711
with Coax or STP Cable
MAX96705/MAX96711
Evaluation Kit
Evaluation Kit Window
The Evaluation Kit window shown in Figure 5 provides
access to all internal registers and functions of the
DUTs by means of reading and writing registers through
different tabs, thus enabling the user to evaluate various
functions of the serializer and deserializer.
The Read All button updates the SerDes register maps
by reading the DUT’s internal registers.
The Serializer group box provides pushbuttons to update
the serializer’s register map from the DUT using the
Read All MAX96705 button. The Load button reads and
updates from a previously saved file and the Save button
saves the existing register values into a new file.
The Deserializer group box provides pushbuttons to
update the deserializer’s register map from the DUT using
the Read All MAX96706 button. The Load button reads
and updates from a previously saved file and the Save
button saves the existing register values into a new file.
The Wake Up button applies the register write sequence
described in the IC data sheets to wake the DUTs from
sleep mode.
The Open Configuration button returns to the
Configuration Settings window.
Figure 3. MAXSerDesEV-N EV Kit Software: Warning! (Nuvoton μController is NOT Detected!)
Figure 4. MAXSerDesEV-N EV Kit Software: Warning! (Microcontroller Firmware is Not the Latest Version)

Maxim Integrated
│
9
www.maximintegrated.com
Evaluates: MAX96705/MAX96711
with Coax or STP Cable
MAX96705/MAX96711
Evaluation Kit
MAX96705 Ser Tab
The MAX96705 Ser tab (Figure 5) lists the serializer’s register bitmaps. The Read and Write buttons in each register
group box allows access to each bit or group of bits that specify a function or condition, as defined in the respective
serializer IC data sheet. The color of the small LED indicator next to the Read/Write buttons indicates the communication
status. Green indicates successful communication and red indicates failed communication.
Figure 5. MAXSerDesEV-N EV Kit Software: Evaluation Kit Window (MAX96705 Ser Tab (Serializer))

Maxim Integrated
│
10
www.maximintegrated.com
Evaluates: MAX96705/MAX96711
with Coax or STP Cable
MAX96705/MAX96711
Evaluation Kit
MAX96706 Des Tab
The MAX92706 Des tab (Figure 6) lists the deserializer’s register bitmaps. The Read and Write buttons in each register
group box allows access to each bit or group of bits that specify a function or condition, as defined in the respective
dserializer data sheet. The color of the small LED indicator next to the Read/Write buttons indicates the communication
status. Green indicates successful communication and red indicates failed communication.
Figure 6. MAXSerDesEV-N EV Kit Software: Evaluation Kit Window (MAX96706 Des Tab (Deserializer))

Maxim Integrated
│
11
www.maximintegrated.com
Evaluates: MAX96705/MAX96711
with Coax or STP Cable
MAX96705/MAX96711
Evaluation Kit
Additional Features Tab
The Additional Features tab (Figure 7) provides pushbuttons for specific functions that connected devices can perform.
By pressing a button, a new window pops up, launching the specific function selected. Function buttons not supported
by the selected device are grayed out.
Figure 7. MAXSerDesEV-N EV Kit Software: Evaluation Kit Window (Additional Features Tab)

Maxim Integrated
│
12
www.maximintegrated.com
Evaluates: MAX96705/MAX96711
with Coax or STP Cable
MAX96705/MAX96711
Evaluation Kit
On the Additional Features tab, press the Serializer Crossbar Switch button to launch the Serializer Crossbar
Switch Configuration function (Figure 8). This capability allows the rerouting of data between the parallel input/output
by the serializer. Refer to the respective IC data sheet for a detailed description and operation on the embedded crossbar
switches.
Figure 8. MAXSerDesEV-N EV Kit Software: Evaluation Kit Window (Serializer Crossbar Switch Configuration Window)

Maxim Integrated
│
13
www.maximintegrated.com
Evaluates: MAX96705/MAX96711
with Coax or STP Cable
MAX96705/MAX96711
Evaluation Kit
On the Additional Features tab, press the Deserializer Crossbar Switch button to launch the Deserializer Crossbar
Switch Configuration function for the deserializer (Figure 9). This capability enables rerouting data between the paral-
lel input/output by the deserializer. Refer to the respective IC data sheet for a detailed description and operation on the
embedded crossbar switches.
Figure 9. MAXSerDesEV-N EV Kit Software: Evaluation Kit Window (Deserializer Crossbar Switch Configuration Window)

Maxim Integrated
│
14
www.maximintegrated.com
Evaluates: MAX96705/MAX96711
with Coax or STP Cable
MAX96705/MAX96711
Evaluation Kit
On the Additional Features tab, press the Timing Generator button to launch this function (Figure 10), which allows the
user to utilize the programmable video timing generator to generate/retime the input sync signals. Refer to the respective
IC data sheet for a detailed description.
Figure 10. MAXSerDesEV-N EV Kit Software: Evaluation Kit Window (Timing Generator Window)

Maxim Integrated
│
15
www.maximintegrated.com
Evaluates: MAX96705/MAX96711
with Coax or STP Cable
MAX96705/MAX96711
Evaluation Kit
On the Additional Features tab, press the Equalizer Visualization button to launch this function (Figure 11), which
allows compensating for higher cable attenuation and higher frequencies. Refer to the respective IC data sheet for a
detailed description.
Figure 11. MAXSerDesEV-N EV Kit Software: Evaluation Kit Window (Equalizer Visualization Window)

Maxim Integrated
│
16
www.maximintegrated.com
Evaluates: MAX96705/MAX96711
with Coax or STP Cable
MAX96705/MAX96711
Evaluation Kit
On the Additional Features tab, press the Show PRBS Test button to perform a PRBS test (Figure 12). Enter test
duration (maximum 32,767s = 9.1hrs) in the Duration edit box and press Start to start the test. At test completion, the
number of bit errors are read from the PRBSERR register, and displayed in the PRBS Error Counter box.
Log\Low Level Tab
The Log\Low Level tab (Figure 13) logs all activities between the GUI and DUTs.
The Register Access group box allows reads or writes of the specified slave and register addresses. Use the Send String
to EVKIT button to communicate with non-register-based devices (such as the MAX7324). The SerDes Baud Rate drop-
down list sets the communications baud rate. Note that the baud rate should be changed in small increments/decrements
(one step change is forced by the GUI).
Detailed Description of Firmware
The Nuvoton microcontroller on the daughter board runs a custom firmware that ensures reliable communication
between the PC and DUTs. The firmware records 9-bit even-parity data received from the USB interface while RTS is set,
and plays back the 9-bit data with 1.5 stop bits timing when RTS is cleared. Data received from the DUTs is immediately
relayed to the USB port.
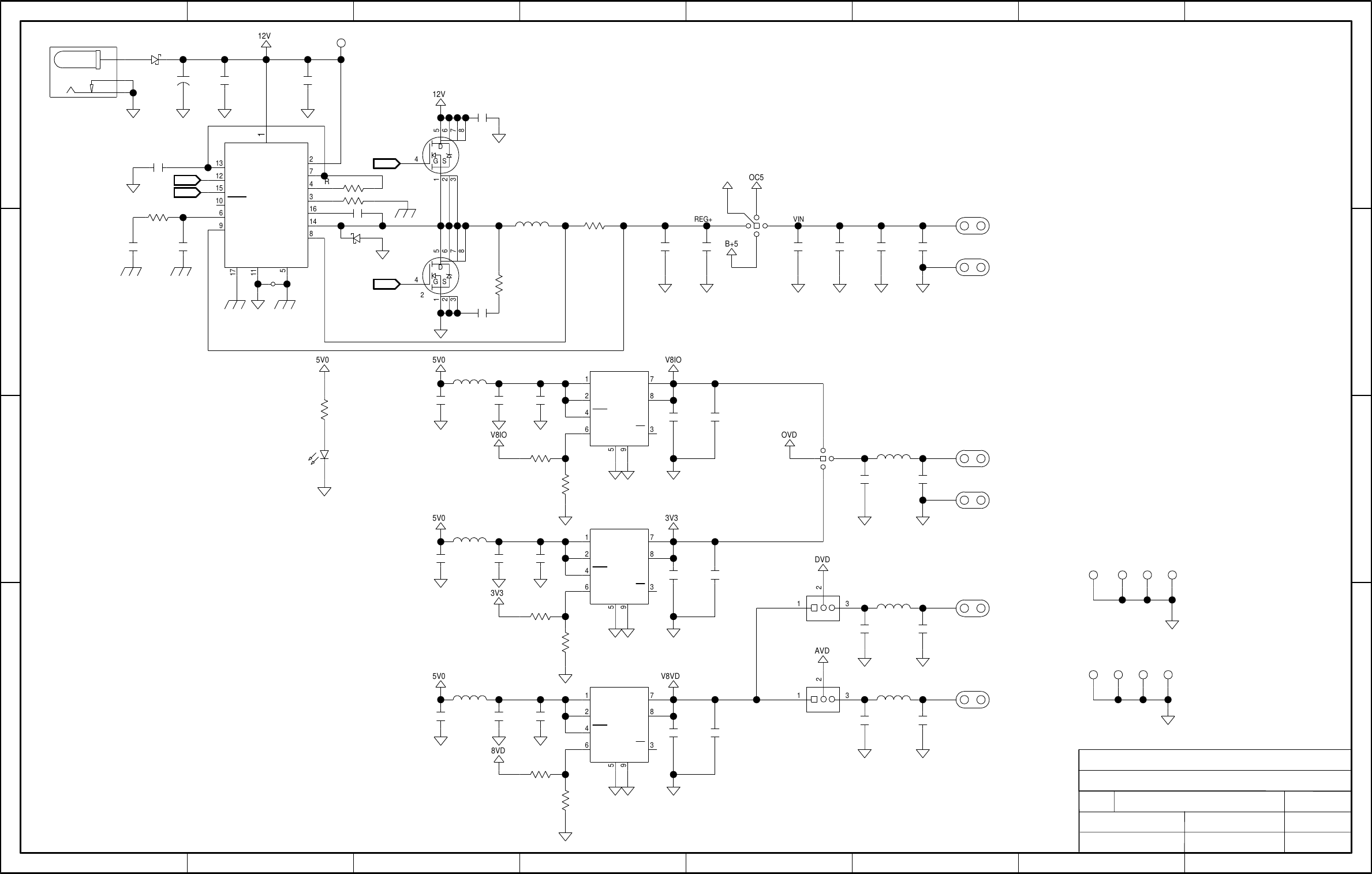
Detailed Description of Hardware
The MAX96705/MAX96711 coax EV kit provides a proven design and layout for the MAX96705 and MAX96711 GMSL
serializers, which was designed to be reliable with ease of use, flexibility, parallel input, and FAKRA coaxial cable serialized
output. On-board level translators and easy-to-use USB-PC connections are included on the EV kit.
Figure 12. MAXSerDesEV-N EV Kit Software: Evaluation Kit Window (Show PRBS Test Window, Expanded)

Maxim Integrated
│
17
www.maximintegrated.com
Evaluates: MAX96705/MAX96711
with Coax or STP Cable
MAX96705/MAX96711
Evaluation Kit
The MAX96705/MAX96711 coax EV kit board consists of
four principal functional blocks:
1) Microcontroller daughter board
2) MAX96705/MAX96711 application circuit block
3) Power-supply block
4) Oscillator (PCLK) circuit block
Microcontroller Daughter Board
The Nuvoton-based microcontroller daughter board
provides UART and I2C interfaces that communicate
with both serializer and deserializer boards when they
are powered on and properly configured. The Nuvoton
microcontroller is programmed with the latest firmware at
the time of manufacturing.
To use the EV kit with an externally applied controller,
remove the Nuvoton microcontroller board from the EV
kit board (DB1 position) and apply the RX/SDA, TX/SCL,
VDD, and GND signals from the user microcontroller to the
corresponding signals on J6 of the serializer board. Use
one of the logic levels from the VDD_REF, J53 header, or
apply externally.
Application Circuit
The application circuit block includes the serializer and
all other components and circuits suggested in the
respective IC data sheet, and test points and provisions
to provide access to internal functions of the serializer for
evaluation of the product.
Power Supplies
On-board LDO regulators U2, U3, and U12 generate
various voltage levels required to operate the EV kit board.
There are four options to power the board:
1) USB port (default)
2) 12V AC adapter
3) 5V power supply applied power over coax cable
4) Power jumper (JU1 selects from the four power
sources)
To operate the EV kits with voltage levels different from
what are generated by on-board regulators, move desired
IOVDD (JU2), DVDD (JU3), and AVDD (JU4) shunt from
INT to EXT positions and apply the external voltage to the
corresponding wire-loop terminal.
Figure 13. MAXSerDesEV-N EV Kit Software: Evaluation Kit Window (Log\Low Level Tab)

Maxim Integrated
│
18
www.maximintegrated.com
Evaluates: MAX96705/MAX96711
with Coax or STP Cable
MAX96705/MAX96711
Evaluation Kit
Oscillator (PCLK) Circuit Block
An on-board custom oscillator (U4) to supply PCLK is
provided to facilitate the serializer/deserializer evalua-
tion. This is an I2C-programmable oscillator with four
custom preprogrammed and jumper-selectable
frequencies. FSEL0 and FSEL1 jumpers positions select
one of the preprogrammed frequencies per list below:
FSEL1 FSEL0 PCLK (MHz)
L L 25.0
L H 37.0
H L 78.0
H H 104.0
Place jumper IDT_EN (J26) in the “L” position to dis-
able the oscillator output. To operate the the oscilla-
tor at a frequency other than the four preprogrammed
frequencies, refer to the oscillator data sheet available at
www.idt.com/products/clocks-timing/quartz-crystal-
oscillator-ics-xo-crystal-clock-oscillators-and-low-
power-oscillator-circuits/8n0q001-quad-frequency-
programmable-xo-0, or contact the manufacturer.
Figure 14. MAX96705/MAX96711 Coax EV Kit Jumper Settings for Coax Link and I2C Communication

Maxim Integrated
│
19
www.maximintegrated.com
Evaluates: MAX96705/MAX96711
with Coax or STP Cable
MAX96705/MAX96711
Evaluation Kit
Troubleshooting
Possible causes of board test failure:
1) Coax cable not properly connected between the
serializer OUT+ to the deserializer IN+.
2) PCLKIN not applied (e.g., FG output is disabled):
Verify signal at the pins on the board.
3) PCLKIN and function generator output are not cor-
rect: Verify signal at the pins on the board.
4) Incorrect jumper setting on the deserializer board:
Reverify.
5) Incorrect jumper setting on the serializer board:
Reverify.
6) Bus selection on the GUI is not consistent with jump-
ers’ position on the boards: Check and verify that
USB cable is properly connected.
7) USB port has locked: Exit application GUI, remove
USB cable from the board, reinsert and relaunch the
GUI.
8) Nuvoton μC is not communicating: Exit application
GUI, remove USB cable from the board, reinsert and
relaunch the GUI.
9) Deserializer board is faulty: Try a different board
(if available).
10) Serializer board is faulty: Try a different board
(if available).
Figure 15. MAX96706/MAX96708 Coax EV Kit Jumper Settings for Coax Link and I2C Communication

Maxim Integrated
│
20
www.maximintegrated.com
Evaluates: MAX96705/MAX96711
with Coax or STP Cable
MAX96705/MAX96711
Evaluation Kit
Note: Indicate that you are using the MAX96705 or MAX96711 when contacting these component suppliers.
#Denotes RoHs compliant.
Note: The MAX96705 and MAX96711 coax EV kits are
normally ordered with a companion board:
• MAX96706 coax EV kit (MAX96706COAXEVKIT#)
• MAX96708 coax EV kit (MAX96708COAXEVKIT#)*
Component Suppliers
Component List
Click on the links below for component information,
schematics, and PCB layout diagrams:
●MAX96705/MAX96711 EV Kit BOM
●MAX96705/MAX96711 EV Kit Schematics
●MAX96705/MAX96711 EV Kit PCB Layout
SUPPLIER PHONE WEBSITE
Amphenol RF 800-627-7100 www.amphenolrf.com
Hong Kong X’tals Ltd. 852-35112388 www.hongkongcrystal.com
Integrated Device Technology (IDT) 908-766-4941 www.idt.com
Murata Americas 770-436-1300 www.murataamericas.com
ON Semiconductor 602-244-6600 www.onsemi.com
Rosenberger Hochfrequenztechnik GmbH 011-49-86 84-18-0 www.rosenberger.de
TDK Corp. 847-803-6100 www.component.tdk.com
Ordering Information
PART TYPE
MAX96705COAXEVKIT# EV Kit
MAX96711COAXEVKIT# EV Kit
MAXCOAX2STP-HSD# Adapter Kit

Maxim Integrated cannot assume responsibility for use of any circuitry other than circuitry entirely embodied in a Maxim Integrated product. No circuit patent licenses
are implied. Maxim Integrated reserves the right to change the circuitry and specifications without notice at any time.
Maxim Integrated and the Maxim Integrated logo are trademarks of Maxim Integrated Products, Inc. © 2016 Maxim Integrated Products, Inc.
│
21
Evaluates: MAX96705/MAX96711
with Coax or STP Cable
MAX96705/MAX96711
Evaluation Kit
Revision History
REVISION
NUMBER
REVISION
DATE DESCRIPTION PAGES
CHANGED
0 12/15 Initial release —
1 3/16 Removed future product designation from MAX96711COAXEVKIT# in Ordering
Information 20
For pricing, delivery, and ordering information, please contact Maxim Direct at 1-888-629-4642, or visit Maxim Integrated’s website at www.maximintegrated.com.

1
TITLE: Bill of Materials
DATE: 12/2015
DESIGN: max96705_711_evkit_a
NOTE: DNI = DO NOT INSTALL ; DNP = DO NOT PROCURE
REF_DES DNI/DNP QTY VALUE DESCRIPTION MFG PART # MANUFACTURER
C1 - 1 1500PF
CAPACITOR; SMT (0603); CERAMIC CHIP;
1500PF; 50V; TOL=10%; MODEL=C SERIES;
HIGH TEMPERATURE; TG=-55 DEGC TO +150
DEGC; TC=X8R C1608X8R1H152K080 TDK
C2 - 1 10UF
CAPACITOR; SMT (1210); CERAMIC CHIP;
10UF; 16V; TOL=20%; MODEL=; TG=-55
DEGC TO +125 DEGC; TC=X7R
C1210C106M4RAC;
C3225X7R1C106M200AB
KEMET/TDK
C3, C8, C18, C30, C32, C108,
C115, C127
-8 10UF
CAPACITOR; SMT (0603); CERAMIC CHIP;
10UF; 16V; TOL=20%; TG=-25 DEGC TO +85
DEGC; TC=JB
C1608JB1C106M080AB TDK
C4, C6, C7, C9, C16, C17,
C106, C107, C116, C117
- 10 0.1UF
CAPACITOR; SMT (0603); CERAMIC CHIP;
0.1UF; 25V; TOL=10%; MODEL=C SERIES;
TG=-55 DEGC TO +125 DEGC; TC=X7R
C1608X7R1E104K080AA TDK
C5, C34, C64, C114 - 4 100UF
CAPACITOR; SMT (1210); CERAMIC CHIP;
100UF; 10V; TOL=20%; MODEL=CL SERIES;
TG=-55 DEGC TO +85 DEGC; TC=X5R CL32A107MPVNNN SAMSUNG ELECTRONICS
C10, C13, C103, C130 - 4 10UF
CAPACITOR; SMT (1206); CERAMIC CHIP;
10UF; 10V; TOL=20%; MODEL=C SERIES; TG=-
55 DEGC TO +85 DEGC; TC=X5R
C3216X5R1A106M160 TDK
C11, C14, C19, C20, C53, C54,
C57, C58, C104
- 9 4.7UF
CAPACITOR; SMT (0603); CERAMIC; 4.7UF;
6.3V; TOL=20%; MODEL=C SERIES; TG=-55
DEGC TO +85 DEGC; TC=X5R
C1608X5R0J475M080AB;
GRM188R60J475ME19;
JMK107BJ475MA-T
TDK/MURATA/TAIYO YUDEN
C12, C33, C62, C63 - 4 0.22UF
CAPACITOR; SMT (0603); CERAMIC CHIP;
0.22UF; 50V; TOL=10%; MODEL=C SERIES;
TG=-55 DEGC TO +125 DEGC; TC=X7R
C1608X7R1H224K080 TDK
C15, C21, C22, C27, C28, C35,
C61
- 7 0.1UF
CAPACITOR; SMT (0402); CERAMIC CHIP;
0.1UF; 16V; TOL=10%; TG=-55 DEGC TO
+125 DEGC; TC=X7R;
C0402X7R160-104KNE;
CL05B104KO5NNNC;
GRM155R71C104KA88;
C1005X7R1C104K;
CC0402KRX7R7BB104;
EMK105B7104KV
VENKEL LTD./SAMSUNG
ELECTRONICS/MURATA/TDK/YAGEO
PHICOMP/TAIYO YUDEN

2
REF_DES DNI/DNP QTY VALUE DESCRIPTION MFG PART # MANUFACTURER
C23-C26, C36, C60, C97 - 7 1000PF
CAPACITOR; SMT (0402); CERAMIC CHIP;
1000PF; 50V; TOL=10%; MODEL=C SERIES;
TG=-55 DEGC TO +125 DEGC; TC=X7R
C1005X7R1H102K050BA TDK
C29, C85, C96, C99, C100 - 5 0.1UF
CAPACITOR; SMT (0402); CERAMIC; 0.1UF;
16V; TOL=10%; MODEL=GRM SERIES; TG=-
55 DEGC to +85 DEGC; TC=X5R
GRM155R61C104KA88 MURATA
C31 - 1 470UF
CAPACITOR; SMT (CASE_F); ALUMINUM-
ELECTROLYTIC; 470UF; 16V; TOL=20%;
MODEL=CR SERIES; TG=-55 DEGC TO +105
DEGC
PCR1C471MCL6 NICHICON
C118 - 1 100UF
CAPACITOR; SMT (7343); TANTALUM CHIP;
100UF; 16V; TOL=20%; MODEL=TQC SERIES
16TQC100MYF PANASONIC
C129 - 1 2200PF
CAPACITOR; SMT (0402); CERAMIC CHIP;
2200PF; 50V; TOL=10%; MODEL=C SERIES;
TG=-55 DEGC TO +125 DEGC; TC=X7R
C1005X7R1H222K050BA TDK
D4, D5 - 2 B360B-13-F
DIODE; SCH; SCHOTTKY BARRIER DIODE;
SMB; PIV=60V; Io=3A; -55 DEGC TO +125
DEGC
B360B-13-F DIODES INCORPORATED
D8 - 1 SML-210VTT86
DIODE; LED; SML-21 SERIES; RED; SMT
(0805); PIV=2V; IF=0.02A
SML-210VTT86 ROHM
L4, L5, FB1, FB3, FB5, FB6,
FB8, FB14
- 8 120
INDUCTOR; SMT (0603); FERRITE-BEAD; 120;
TOL=+/-25%; 3A
BLM18SG121TN1 MURATA
TP1, GND1-GND4, TP_12V - 6 N/A
TEST POINT; PIN DIA=0.1IN; TOTAL
LENGTH=0.3IN; BOARD HOLE=0.04IN; RED;
PHOSPHOR BRONZE WIRE SILVER PLATE
FINISH;
5000 KEYSTONE
H1-1-H1-3 - 3 PBC16SAAN
CONNECTOR; MALE; THROUGH HOLE;
BREAKAWAY; STRAIGHT; 16PINS; -65 DEGC
TO +125 DEGC
PBC16SAAN SULLINS ELECTRONICS CORP.
H2 - 1 PPPC141LFBN-RC
CONNECTOR; FEMALE; THROUGH HOLE; LFB
SERIES; 2.54MM CONTACT CENTER;
STRAIGHT; 14PINS
PPPC141LFBN-RC SULLINS ELECTRONICS CORP
H3 - 1 PPTC031LFBN-RC
CONNECTOR; FEMALE; THROUGH HOLE;
HEADER; STRAIGHT THROUGH; 3PINS; -40
DEGC TO +105 DEGC PPTC031LFBN-RC SULLINS
H4 - 1 PPPC021LFBN-RC
CONNECTOR; FEMALE; THROUGH HOLE; LFB
SERIES; 2.54MM CONTACT CENTER;
STRAIGHT; 2PINS
PPPC021LFBN-RC SULLINS ELECTRONICS CORP

3
REF_DES DNI/DNP QTY VALUE DESCRIPTION MFG PART # MANUFACTURER
J1 - 1 PJ-202BH
CONNECTOR; MALE; THROUGH HOLE; PJ-
202BH; DC POWER JACK; RIGHT ANGLE;
RIGHT ANGLE; 3PINS
PJ-202BH CUI INC.
J2, J3, J18-J20, J34 - 6 MAXIMPAD
EVK KIT PARTS; MAXIM PAD; WIRE;
NATURAL; SOLID; WEICO WIRE; SOFT
DRAWN BUS TYPE-S; 20AWG
9020 BUSS WEICO WIRE
J4, J5 - 2 59S2AX-400A5-Z
CONNECTOR; MALE; THROUGH HOLE;
RIGHT ANGLE PLUG FOR PCB; RIGHT ANGLE;
5PINS
59S2AX-400A5-Z ROSENBERGER
J6 - 1 PEC04SAAN
CONNECTOR; MALE; THROUGH HOLE;
BREAKAWAY; STRAIGHT; 4PINS
PEC04SAAN SULLINS ELECTRONICS CORP.
J7 - 1 PBC14SAAN
CONNECTOR; MALE; THROUGH HOLE;
BREAKAWAY; STRAIGHT; 14PINS; -65 DEGC
TO +125 DEGC
PBC14SAAN SULLINS ELECTRONICS CORP.
J11, J13, J21, J22, J25, J30,
J32, J35, J44-J46, J54, J55
- 13 PCC02SAAN
CONNECTOR; MALE; THROUGH HOLE;
BREAKAWAY; STRAIGHT THROUGH; 2PINS; -
65 DEGC TO +125 DEGC
PCC02SAAN SULLINS
J23, J26-J29, J33, J39-J43, J47,
J48, J53
- 14 PCC03SAAN
CONNECTOR; MALE; THROUGH HOLE;
BREAKAWAY; STRAIGHT THROUGH; 3PINS; -
65 DEGC TO +125 DEGC
PCC03SAAN SULLINS
J38, J50-J52, JU2 - 5 PEC04SAAN
CONNECTOR; MALE; THROUGH HOLE;
BREAKAWAY; STRAIGHT; 4PINS
PEC04SAAN SULLINS ELECTRONICS CORP.
J56-J60 - 5 PEC02SAAN
CONNECTOR; MALE; THROUGH HOLE;
BREAKAWAY; STRAIGHT; 2PINS
PEC02SAAN SULLINS
JU1 - 1 PBC05SAAN
CONNECTOR; MALE; THROUGH HOLE;
BREAKAWAY; STRAIGHT; 5PINS; -65 DEGC
TO +125 DEGC
PBC05SAAN SULLINS ELECTRONICS CORP.
JU3, JU4 - 2 PEC03SAAN
CONNECTOR; MALE; THROUGH HOLE;
BREAKAWAY; STRAIGHT; 3PINS
PEC03SAAN SULLINS
L1, L8 - 2 330NH
INDUCTOR; SMT (0603); FERRITE CORE;
330NH; TOL=+/-5%; 0.63A
LQW18CNR33J00 MURATA
L2, L7 - 2 6.8UH
INDUCTOR; SMT (1210); WIREWOUND CHIP;
6.8UH; TOL=20%; 0.62A
LBC3225T6R8MR TAIYO YUDEN
L3, L6 - 2 100UH
INDUCTOR; SMT (2424); WIREWOUND CHIP;
100UH; TOL=20%; 0.92A
LQH6PPN101M43L MURATA
L25 - 1 1.5UH
INDUCTOR; SMT; FERRITE-BEAD; 1.5UH;
TOL=+/-20%; 27A
7443330150 WURTH ELECTRONICS INC.
MECH1-MECH4 - 4 1902B
STANDOFF; FEMALE-THREADED; HEX; 4-
40IN; 3/8IN; NYLON
1902B GENERIC PART

4
REF_DES DNI/DNP QTY VALUE DESCRIPTION MFG PART # MANUFACTURER
MISC2 - 1 MAXEVCNTR-NUV# EVKIT PART-NUVOTON MICRO CONTROLLER MAXEVCNTR-NUV# MAXIM
N1, N2 - 2 FDS8449
TRAN; N-CHANNEL POWER TRENCH
MOSFET; NCH; NSOIC8 ; PD-(2.5W); I-(7.6A);
V-(40V)
FDS8449 FAIRCHILD SEMICONDUCTOR
PCLK_SMA - 1 5-1814832-1
CONNECTOR; FEMALE; THROUGH HOLE;
CONN SOCKET SMA STR DIE CAST PCB;
STRAIGHT; 5PINS
5-1814832-1 TYCO
R1 - 1 0.015
RESISTOR; 1206; 0.015 OHM; 5%; 200PPM;
1W; THICK FILM
ERJ-8BWJR015V PANASONIC
R2 - 1 14.3K
RESISTOR, 0402, 14.3K OHM, 1%, 100PPM,
0.0625W, THICK FILM
CRCW040214K3FK VISHAY DALE
R3, R5, R38 - 3 24.9K
RESISTOR; 0603; 24.9K OHM; 1%; 100PPM;
0.10W; THICK FILM CRCW060324K9FK VISHAY DALE
R4 - 1 41.2K
RESISTOR; 0603; 41.2K OHM; 1%; 100PPM;
0.10W; METAL FILM
CRCW060341K2FK VISHAY DALE
R6, R58 - 2 11K
RESISTOR; 0603; 11K OHM; 1%; 100PPM;
0.10W; THICK FILM
CR0603-FX-1102ELF BOURNS
R7, R9, R11, R13-R15, R28,
R29, R34
- 9 2.2K
RESISTOR, 0603, 2.2K OHM, 1%, 100PPM,
0.10W, THICK FILM
CRCW06032K20FK VISHAY DALE
R12, R27, R37, R39 - 4 0
RESISTOR; 0402; 0 OHM; 0%; JUMPER;
0.063W; THICK FILM
CRCW04020000ZS VISHAY DALE
R16, R19 - 2 45.3K
RESISTOR; 0603; 45.3KOHM; 1%; 100PPM;
0.10W; THICK FILM
CRCW060345K3FK; ERJ-3EKF4532V VISHAY DALE/PANASONIC
R17, R20 - 2 4.99K
RESISTOR; 0201; 4.99K OHM; 1%; 100PPM;
0.05W ; THICK FILM
CRCW02014K99FK VISHAY DALE
R18, R21 - 2 49.9K
RESISTOR; 0201; 49.9K OHM; 1%; 100PPM;
0.05W ; THICK FILM
CRCW020149K9FK VISHAY DALE
R22, R36 - 2 1K
RESISTOR; 0603; 1K; 1%; 100PPM; 0.10W;
THICK FILM CRCW06031001FK; ERJ-3EKF1001V VISHAY DALE; PANASONIC
R23 - 1 2
RESISTOR, 0603, 2 OHM, 1%, 100PPM,
0.10W, THICK FILM
CRCW06032R00FN VISHAY DALE
R24, R25, R30, R31 - 4 2K
RESISTOR, 0603, 2K OHM, 1%, 100PPM,
0.10W, THICK FILM
CRCW06032K0FK; ERJ-3EKF2001V VISHAY DALE/PANASONIC
R26, R32 - 2 2K
RESISTOR; 0201; 2K OHM; 1%; 200PPM;
0.05W; THICK FILM
ERJ-1GEF2001C PANASONIC
R33 - 1 30K
RESISTOR; 0603; 30K OHM; 1%; 100PPM;
0.10W; THICK FILM
CRCW060330K0FK VISHAY DALE

5
REF_DES DNI/DNP QTY VALUE DESCRIPTION MFG PART # MANUFACTURER
R74 - 1 30K
RESISTOR; 0402; 30K OHM; 1%; 100PPM;
0.063W; THICK FILM
RC0402FR-0730KL YAGEO PHICOMP
R75, R76 - 2 0
RESISTOR; 0603; 0 OHM; 5%; JUMPER;
0.10W; THICK FILM
RC1608J000CS; CR0603-J/-
000ELF;RC0603JR-070RL
SAMSUNG
ELECTRONICS/BOURNS/YAGEO PH
R100 - 1 1K
RESISTOR; 0603; 1K OHM; 1%; 100PPM;
0.10W; THICK FILM
CR0603-FX-1001ELF BOURNS
SCREW1-SCREW4 - 4 P440.375
MACHINE SCREW; SLOTTED; PAN; 4-40IN;
3/8IN; NYLON
P440.375 GENERIC PART
SU1-SU25 - 25 STC02SYAN
TEST POINT; JUMPER; STR; TOTAL
LENGTH=0.256IN; BLACK; INSULATION=PBT
CONTACT=PHOSPHOR BRONZE; COPPER
PLATED TIN OVERALL
STC02SYAN SULLINS ELECTRONICS CORP.
U1 - 1 MAX96705GTJ
IC; HS81 PRELIMINARY; PACKAGE OUTLINE
32 TQFN; 0.50MM PITCH; 21-0140/T3255-8;
MAX96705
MAX96705GTJ MAXIM
U2,U3,U12 - 3 MAX1792EUA33
IC; VREG; LOW-DROPOUT LINEAR
REGULATOR; UMAX8
MAX1792EUA33 MAXIM
U4 - 1 IDT8N0Q001
EVKIT PART; IC; IDT8N0Q001; CD10
PACKAGE OUTLINE 7X5 BODY; 2.54MM
PITCH; CUSTOM PART ONLY
IDT8N0Q001 IDT
U15 - 1 MAX3378EEUD+
IC; TRANS; +/-15KV ESD-PROTECTED, 1UA,
16MBPS, QUAD LOW-VOLTAGE LEVEL
TRANSLATOR; TSSOP14
MAX3378EEUD+ MAXIM
U23 - 1 MAX16952AUE/V+
IC; CTRL; STEP-DOWN CONTROLLER WITH
LOW OPERATING CURRENT; TSSOP16-EP
MAX16952AUE/V+ MAXIM
MISC1 DNI 1 AK67421-1-R
CONNECTOR; MALE; USB; USB2.0 MICRO
CONNECTION CABLE; USB B MICRO MALE
TO USB A MALE; STRAIGHT; 5PINS-4PINS
AK67421-1-R ASSMANN
C37, C59, C128 DNP 3OPEN
PACKAGE OUTLINE 0603 NON-POLAR
CAPACITOR
N/A N/A
DB1 DNP 1TEENSY 3.1
EVKIT PART; MODULE; CTRL; TEENSY USB
DEVELOPMENT BOARD; TH-37; CUSTOM
PART ONLY
TEENSY 3.1 PJRC
TOTAL 234

LED_PWR
AVDD
REG+5V
DVDD
1.8V
3.3VIOVDD
USB+5V
+5VIN
EXT
<DRAWN_BY>
<DATE>
<ENGINEER>
IOVDD
POC5V
+5V0
120
4.7UF
PJ-202BH
+5V0
SML-210VTT86
+1V8IO
11K
24.9K
30K
0.1UF
41.2K
0.015
100UF 0.1UF 10UF
+12V
+12V
10UF
120
10UF
11K
DH
DL
10UF
+1V8VDD
0.1UF
+5V0
120
10UF
+3V3
1K
120
10UF
+5V0
1500PF
0
24.9K
0.1UF
10UF
0.1UF
GND
+5VIN
0
4.7UF
120
0.1UF
1.5UH
EXT-DVDD
DVDD
MAX1792EUA33
4.7UF
4.7UF
FDS8449
FDS8449
MAX16952AUE/V+
B360B-13-F
+5V0
MAX1792EUA33
24.9K
0.1UF
4.7UF
0.1UF 100UF
OPEN
DL
4.7UF
EXT-IOVDD
4.7UF
+3V3
MAX1792EUA33
0.1UF
2200PF
+1V8IO
GND
100UF10UF USB+5V 10UF
120
4.7UF
AVDD
+1V8VDD
10UF
4.7UF
10UF
0.1UF
DH
14.3K
C129
J1
R74
C127
D5
A
C16
FB3
C18
D8
A
K
R100
C128
13
16
6
8
15
12
2
17
7
3
4
14
9
11
10
5
1
D4
AC
C7
FB1
C8
C106 C108
N2
5
6
7
8
4
1
2
3
FB14
C1
R75
R6
R5
U3
9
5
1
2
7
8
36
4
C17
R3
R4
U2
9
5
1
2
7
8
36
4
C13
C10
C14
C11
JU3
1
2
3
C9
R38
R58
C107
U12
9
5
1
2
7
8
36
4
C103
C2
C104
JU2
1
2
3
4
C114 C3 C4
C118
C116
R2
R76
C115
C117
N1
5
6
7
8
4
1
2
3
L25
C130
R1
C54
FB6
C53
C58
FB8
C57
J18
J19
X1 X2 X3 X4
C20
FB5
C19
J34
J20
C5 C6
J3
J2
JU4
1
2
3
GND2 GND3GND1
TP_12V
JU1
1
2
3
4
5
1.5
A
SHEET 2 OF 5
B360B-13-F
C
EXT-AVDD
GND4
MAX96705_711_EVKIT_A
<HARDWARE_NUMBER>
U23
DRAWN BY:
TEMPLATE REV:
REV:
2
B
D
1
C
A
2345
345
678
C
B
A
8 7 6 1
D
DATE:
PROJECT TITLE:
DRAWING TITLE:
SIZE HARDWARE NUMBER:
ENGINEER:
B
B
1
3
2
IN
IN
EP
DH
SUP EN
BST
FB
FOSC
FSYNC
PGOOD
PGND
CS
LX
SGND
BIAS
COMP
OUT
DL
IN
S
D
G
EP
GND
SET
SHDN
RST
OUT
OUT
IN
IN
EP
GND
SET
SHDN
RST
OUT
OUT
IN
IN
EP
GND
SET
SHDN
RST
OUT
OUT
IN
IN
+
IN
S
D
G

VDD_REF
EXT_RX/SDA
GND
EXT_TX/SCL
VHC3
5V
U15_TX/SCL
DBL-L
DBL-H VLC3
3.3V
VHC4
VLC4
POC5VIN
POC12V
POC5VIN
POC5VOUT
POC5VOUT
POC+
POC-
POC12V
SHEET 3 OF 5
<HARDWARE_NUMBER>
<ENGINEER>
MAX96705_711_EVKIT_A
A<DRAWN_BY>
<DATE>
1.5
4
3
2
1
J52
4
3
2
1
J51
R37
R39
R19
21
J60
R16
21
J59
R20
R21
21
J58
R17
R18
21
J57
21
J56
C33
C34 C35 C36
L6
R24
C37
R25 R26 R27
L8L7
3
2
1
J53
21LSH_SDA
21LSH_SCL
4
3
2
1
J50
C62
C64 C61 C60 R12R32
L1
R31
C59
R30
L2
5
3
4
2
1
J4
5
3
4
2
1
J5
L3
R9R7
21
J54
21
J55
R13R11
2 1
J13
2 1
J11
21
J22
21
J21
4
3
2
1
J6
1
14
9
6
5
4
3
2
10
11
12
13
7
8
U15
C100C99
OPEN
+12V
POC5V
+12V
POC5V
+5V0
+5V0
0.22UF
0.22UF 0.1UF
LFAVDD
AVDD
45.3K
LMN1
LFL+ LFL-
LFR-
49.9K
LFR+
4.99K4.99K
49.9K
OUT-
0
100UF
SCLPU SDAPU
RX/SDA
MAX3378EEUD+
UC_TX/SCL
0.1UF
2.2K
IOVDD
IOVDD
VDD_REF
UC_RX/SDA
100UH 6.8UH
2K
LMN0
+3V3
0.1UF
OUT+
0
2K
330NH
100UF
2K 2K
2.2K
6.8UH
2K
2.2K
45.3K
2.2K
1000PF
100UH
0
330NH
2K
OPEN
LF-
0
1000PF
IOVDD
TX/SCL/DBL
I69
TX/SCL/DBL
+5V0
VDD_REF
0.1UF EXSCLPUEXSDAPU
LF+
LF-LF+
DRAWN BY:
TEMPLATE REV:
REV:
2
B
D
1
C
A
2345
345
678
C
B
A
8 7 6 1
D
DATE:
PROJECT TITLE:
DRAWING TITLE:
SIZE HARDWARE NUMBER:
ENGINEER:
B
B
IN
ININ
IN
IN
IN
NC
NC
3-STATE
I/O VCC4
I/O VCC3
I/O VCC2
I/O VCC1
I/O VL4
I/O VL3
I/O VL2
I/O VL1
GND
VCCVL
IN
IN
OUT
IN
IN

H LMN1
LMN0
HH
L
L
L
L
H
H
L
H
L
HH
SHEET 4 OF 5
<HARDWARE_NUMBER>
<ENGINEER>
MAX96705_711_EVKIT_A
A<DRAWN_BY>
<DATE>
1.5
IOVDD
C25
IOVDD_DUT
C27
7
IOVDD
LCCN
2
1
I158
2.2K
DIN3
DIN12/GPIO4/LMN0
DIN14/HS
DIN11/GPIO3
DIN13/GPIO5/LMN1
R34
16
15
14
13
12
11
10
9
8
7
6
5
4
3
2
1
H1-3
16
15
14
13
12
11
10
9
8
7
6
5
4
3
2
1
H1-1
16
15
14
13
12
11
10
9
8
7
6
5
4
3
2
1
H1-2
2 1
J32
R15
3
2
1
J33
R28
3
2
1
J23
2 1
J30
R14
R29
C12
C63
3
2
1
J43
3
2
1
J42
3
J41
3
2
1
J40
R33
2 1
J44
21
J45
3
2
1
J48
3
2
1
J47
21
J46
C26
C15 C23
C24C21
C22
24
23
25
20
21
15
17
12
13
14
33 29
11
10
9
8
6
4
3
2
1
32
31
30
28
27
26
19
18
22
5
16
U1
DIN8
DIN7
DIN5
DIN4
DIN2
DIN1
DIN0
PCLKIN
RX/SDA
TX/SCL/DBL
GPIO5/LMN1
2.2K I156 LMN1
DIN11/GPIO3
IOVDD
2.2K
2.2K
I152
I159
I151
2.2K
I109 OUT+
0.1UF
0.1UF
IOVDD
IOVDD_DUT
0.1UF
DVDD
IOVDD
0.22UF
1000PF
AVDD 0.1UF
1000PF
1000PF
IOVDD
0.22UF
OUT-
1000PF
I110
I102
IOVDD
30K
HIM_HI
CONF0
BWS
IOVDD
MS/HVEN PWDN
CONF1
DIN10/GPIO2
GPIO4/LMNO DIN13/GPIO5/LMN1
I157
DIN15/VS
IOVDD
GPIO2
GPIO3
DIN6
DIN10/GPIO2
GPO_LOW
DIN12/GPIO4/LMN0
LMN0
MAX96705GTJ
IOVDD
DIN9
DRAWN BY:
TEMPLATE REV:
REV:
2
B
D
1
C
A
2345
345
678
C
B
A
8 7 6 1
D
DATE:
PROJECT TITLE:
DRAWING TITLE:
SIZE HARDWARE NUMBER:
ENGINEER:
B
B
IN
IN
IN
IN
IN
IN
IN
IN
IN
IN
IN
IN
IN
IN
IN
IN
RX/SDA
AVDD
GPO/HIM
DIN13/GPIO5/DE
AVDD
DIN15/VS
EP
DIN9
DIN8
DIN7
DVDD
DIN6
DIN5
DIN4
PCLKIN
TX/SCL/DBL
OUT+
OUT-
CONF1
CONF0
LCCEN
PWDN
MS/HVEN
GPIO1/BWS
IOVDD
DIN14/HS
DIN12/GPIO4
DIN11/GPIO3
DIN10/GPIO2
DIN3
DIN2
DIN1
DIN0

GND
VIN
SDA
RX
SMA
H
L
H
L L
H
GND
TNZ_A8
TNZ_A6
TNZ_A7
TNZ_A0
13
TNZ_A1
TNZ_A2
TNZ_A3
TNZ_SDA0
TNZ_SCL0
IDT +3.3V
TNZ_A9
SCL
TX
SHEET 5 OF 5
<HARDWARE_NUMBER>
<ENGINEER>
MAX96705_711_EVKIT_A
A<DRAWN_BY>
<DATE>
1.5
14
13
12
11
10
9
8
7
6
5
4
3
2
1
J7
TP1
4
321
J38
5
4
3
2
1
PCLK_SMA
2 1
C31
R23
C30 C32
C29
L5
C97C96
L4
C85
3
2
1
J29
3
2
1
J39
C28
2 1
J25
2 1
J35
R22
R36
3
2
1
J28
3
2
1
J27
3
2
1
J26
37
36
35
34
33
32
31
30
29
28
27
26
25
24
23
22
21
20
19
18
17
16
15
14
13
12
11
10
9
8
7
6
5
4
3
2
1
DB1
8
9
10
6
2
3
5
4
7
1
U4
I25TNZ_RX1
UC_TX/SCL
UC_TX/SCL
PCLK_IDT
PCLK_IDT
TNZ_SCL0
I29
U4_SCL
TEENSY 3.1
PCLKIN
I15
I45
0.1UF
120 0.1UF 1000PF
USB+5V
TNZ_SDA0
TNZ_SCL0
I93
I92
TNZ_TX1
TNZ_SDA0
UC_RX/SDA
I27
I26
UC_RX/SDA
I42
I24
I28
TNZ_TX1
TNZ_RX1
I23
I22
+3V3
120
2
I52
0.1UF
IDTVDD
470UF
10UF
IDT8N0Q001
I10
1K
1K
IDTVDDIDTVDD
0.1UF 10UF
IDTVDD
IDT_OEFSEL0FSEL1
U4_SDA
PCLK_IN
DNI
TNZ_SDA0
TNZ_SCL0
I11
PCLK_SMA
DRAWN BY:
TEMPLATE REV:
REV:
2
B
D
1
C
A
2345
345
678
C
B
A
8 7 6 1
D
DATE:
PROJECT TITLE:
DRAWING TITLE:
SIZE HARDWARE NUMBER:
ENGINEER:
B
B
5432
1
+
VIN
AGND
3.3V
23-A9
22-A8
21-A7
20-A6
19-A5
18-A4
17-A3
16-A2
15-A1
14-A0
13
A14/DAC
PROGRAM
GND
3.3V
VBAT
12
11
10-TX2
9-RX2
8-TX3
7-RX3
6
5-TX1
4
3
2
1-TX1
0-RX1
GND
FSEL1 Q
DNU
SDATA
FSEL0
GND
OE
SCLK
VDD
DNU

D5
C118
-
+
C115
C116
C130
TP_12V
N1
L25
J20
C19
EXT-IOVDD
J19
C57
EXT-DVDD
C53
J18
EXT-AVDD
J34
GND
-
C117
FB5
C20
FB8
C58
C54
FB6
REV-A
7/15 JG
+12V
J1
R74
R2
U23
C127
R75
R1
+1.8V
JU3
DVDD
EXT
JU4
EXT
AVDD
J3
R76
C129
C128
N2
D4
C1
EXT
IOVDD
JU2
C106
INT
C7
INT
C16
GND
C5
C3
JU1
POWER
POC5V
GND4
C2
C114
+3.3V
FB14
C108
C107
C8
C9
FB1
C18
C17
FB3
J2
+5VIN
REG+5V
R38
R58
D8
U12
R3
R4
U2
R5
R6
U3
+5VIN
C4
C6
USB+5V
R100
C103
C10
GND1
C13
SILK_TOP
EXSDAPU
J54
J55
EXSCLPU
C104
C11C14
J53
VDD_REF
+5V
C31
C30
C29
C28
U4
PCLK_IDT
R22
J27
FSEL0
J28
L
FSEL1
J26
L
L
IDT_OE
This document contains information considered proprietary,
and shall not be reproduced wholly or in part,
nor disclosed to others without specific written permission.
J6
+3.3V
R23
R36
H
H
H
EXT_UC
GND
VDD_REF
EXT_RX_SDA
L5
C32
HIM_HI
PCLK_SMA
DESIGNER:
ODB++/GERBER:
R9
EXT_TX/SCL
R15
GPIO3
J44
DIN15/VS,DIN13/VS
DIN14/HS,DIN/HS
DIN13/GPIO5,LMN1
DIN12/GPIO4,LMN0
DIN11/GPIO3
DIN10/GPIO2
DIN9
DIN8
DIN7
DIN6
DIN5
DIN4
DIN3
DIN2
DIN1
DIN0
1/6
VHC3
VHC4
J22
SDAPU
R14
GPIO2
J32
H
R33
SMA
GND
J13
CT_SDA
R28
J30
GPIO4/LMN0
L
H1-1
H1-2
IDT
J38
U15
CT_SCL
J33
L
GPI05/LMN1
H
R29
R
F
F
I
U
I
R
F
F
R
I
U
I
U
R U
H1-3
PCLK_IN
J11
J21
SCLPU
J23
L
GPIO1/BWS
H
IOVDD_DUT
CONF1/0
C
C
C
LH
LM
LL
T
T
T
C
HL
MH
MM
ML
T
HM
VLC3
VLC4
R7
J40
MS/HVEN
L
R34
H
GPO_LOW
J46
DBL-L
U15_TX/SCL
DBL-H
07/29/2015
GND3
TP1
J47
L
PWDN
H
J45
LFAVDD
U1
HARDWARE NAME:MAX96705_711_EVKIT_A
HARDWARE NUMBER:
ENGINEER:
DATE:
J7
13
GND
PROGRAM
A14-DAC
VBAT
3.3V
12
J48
L
R16
H
J60
LFL+
5VIN
5VIN
J50
TX/SCL/DBL
www.maximintegrated.com
14-A0
15-A1
H2
H4
11
10-TX2
J41
LCCN
L
R19
H
J59
J58
LFL-
12V
J52
J51
12V
16-A2
17-A3
18-SDA7-RX3
8-TX3
9-RX2
J42
CONF0
L
H
LFR+
J56
5VOUT
POC-
5VOUT
POC+
19-SCL
20-A6
DB1
6
5-TX1
J43
CONF1
L
H
LFR-
J57
21-A7
22-A8
23-A9
TEENSY 3.1
3
4
J29
RX
UC_RX/SDA
SDA
U4_SDA
J35
MAX96705
MAX96711
MAX96705_711 COAX EVKIT BOARD
1-888-629-4642
3.3V
AGND
H3
2
0-RX1
1-TX1
J39
TX
UC_TX/SCL
SCL
U4_SCL
J25
OUT-
C12
C63
J4
OUT+
VIN
USB
GND
J5
GND2

TOP
This document contains information considered proprietary,
and shall not be reproduced wholly or in part,
nor disclosed to others without specific written permission.
DESIGNER:
ODB++/GERBER:
2/6
07/29/2015
HARDWARE NAME:MAX96705_711_EVKIT_A
HARDWARE NUMBER:
ENGINEER:
DATE:

INNER_LAYER2
This document contains information considered proprietary,
and shall not be reproduced wholly or in part,
nor disclosed to others without specific written permission.
DESIGNER:
ODB++/GERBER:
3/6
07/29/2015
HARDWARE NAME:MAX96705_711_EVKIT_A
HARDWARE NUMBER:
ENGINEER:
DATE:

INNER_LAYER3
This document contains information considered proprietary,
and shall not be reproduced wholly or in part,
nor disclosed to others without specific written permission.
DESIGNER:
ODB++/GERBER:
4/6
07/29/2015
HARDWARE NAME:MAX96705_711_EVKIT_A
HARDWARE NUMBER:
ENGINEER:
DATE:

BOTTOM
This document contains information considered proprietary,
and shall not be reproduced wholly or in part,
nor disclosed to others without specific written permission.
DESIGNER:
ODB++/GERBER:
5/6
07/29/2015
HARDWARE NAME:MAX96705_711_EVKIT_A
HARDWARE NUMBER:
ENGINEER:
DATE:

J19
J18
J34
J1
TP_12V
J20
JU2
JU3
JU4
J3
JU1
J2
GND4
SILK_BOT
J54
J55
GND1
J53
This document contains information considered proprietary,
and shall not be reproduced wholly or in part,
nor disclosed to others without specific written permission.
J27
J28
J26
R11
R13
PCLK_SMA
DESIGNER:
ODB++/GERBER:
J6
J44
6/6
J13
J22
J32
J38
C100
LSH_SDA
J30
C99
LSH_SCL
J33
J11
J21
J23
J40
J46
C25
C22
DBL-L
U15_TX/SCL
DBL-H
07/29/2015
GND3
TP1
J47
J45
C26
C27
C15
C23
J50
HARDWARE NAME:MAX96705_711_EVKIT_A
HARDWARE NUMBER:
ENGINEER:
DATE:
DB1
J48
J60
C24
J41
J58
C34
J52
C21
J51
J42
J59
C36
C33
C35
C62
C60
C61
C64
J43J57
J56
R24
C37
L6
L3
R30
C59
J29
J35
R25
L7
R31
L2
C96
C97
L4
J39J25
L8
R26
R27
R17
R18
R12
L1
R32
C85
R39
R21
R37
R20
Products related to this Datasheet
EVAL BOARD FOR MAX96705
EVAL BOARD FOR MAX96711