PT2262 Datasheet by Adafruit Industries LLC

View All Related Products | Download PDF Datasheet
@ Description Features Applications
Tel : 886-2-29162151
Fax : 886-2-29174598
URL: http://www.princeton.com.tw
Remote Control Encoder PT2262
Princeton Technology Corp.
PT2262 is a remote control encoder paired with PT2272 utilizing CMOS Technology. It
encodes data and address pins into a serial coded waveform suitable for RF or IR
modulation. PT2262 has a maximum of 12 bits of tri-state address pins providing up to
531,441 (or 312) address codes; thereby, drastically reducing any code collision and
unauthorized code scanning possibilities.
!CMOS Technology
!Low Power Consumption
!Very High Noise Immunity
!Up to 12 Tri-State Code Address Pins
!Up to 6 Data Pins
!Wide Range of Operating Voltage: Vcc = 4 ~ 15 Volts
!Single Resistor Oscillator
!Latch or Momentary Output Type
!Available in DIP and SO Package
!Car Security System
!Garage Door Controller
!Remote Control Fan
!Home Security/Automation System
!Remote Control Toys
!Remote Control for Industrial Use
Pin Configuration AD I: l U [E :I A! I: 2 I7 :I A2 I: 3 16 :I A3 I: 4 IS :I A4 I: 5 14 :I A5 I: 5 13 :l AE/DS I: 7 12 :l A7/D4 I: 5 11 :l m I: 9 1o :' PT 2262 PT2262-SIE PTZZGZ-IR Vtc DOU'I' DEC 2 OSC 1 TE All/Du AID/DI A9/D2 AB/D3 A0 A1 A2 A4 A5 ASIDE AWDA Vu NC HHHHHHHHHH 10 U 20 19 ls 17 16 15 14 13 12 HUDUUDDUUH ll PT2262 S PT2262 - IR - 5 Vet DOUT 05C, 2 051'. I E Al I /Dfl Al D/Dl AQ/DZ Asml NC
Tel : 886-2-29162151
Fax : 886-2-29174598
URL: http://www.princeton.com.tw
Remote Control Encoder PT2262
Princeton Technology Corp.
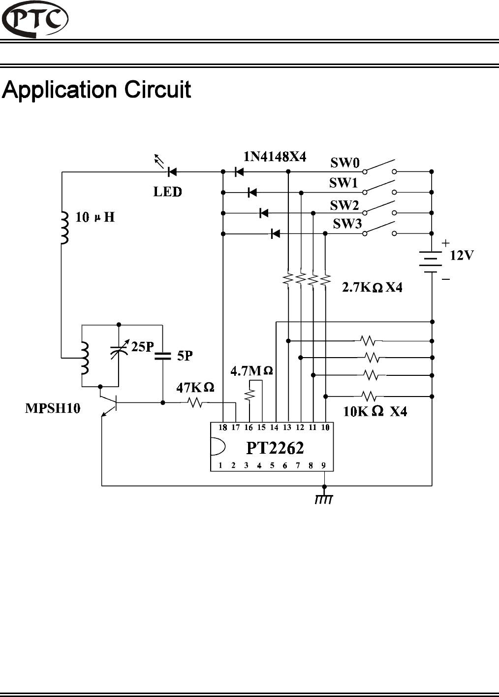
@ Application Circuit \ 1N4148X4 \H SWDQ/C LED :4 SW1 3/0 I qwz / 10 u H ' ° 3 H ‘ SW3 0/0 + E 12V 55$? 2 7Kn x4 _ W 251) 51, M, 4.7Mfl kw 9 47K V» MPSlllO 10K 9 x4 18 I7 16 15 14 13 12 11 ll] D PT2262 1 2 3 4 5 6 7 E 9 IT
Tel : 886-2-29162151
Fax : 886-2-29174598
URL: http://www.princeton.com.tw
Remote Control Encoder PT2262
Princeton Technology Corp.
UHF Band 4 Data Transmitter Circuit is recommended.
§k . LED 3 10 u H + E 12V sw 0/0 251,:: 5P 4.7Mn 47Kn MPSHlO VV 18 17 16 15 14 13 12 11 ll] 3 PT2262 1234567E9 IT
Tel : 886-2-29162151
Fax : 886-2-29174598
URL: http://www.princeton.com.tw
Remote Control Encoder PT2262
Princeton Technology Corp.
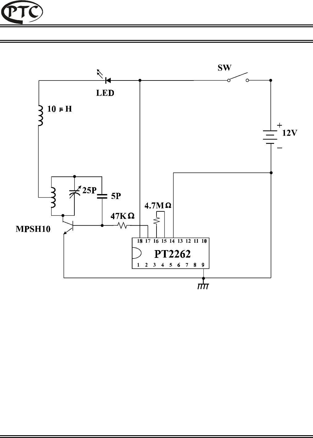
UHF Band Address-only (Zero Data) Transmitter Circuit is recommended.
\ SW \ :4 . a/c . LED § 10 u H + 3 12V —. 251’ SP 4.7Mn 47Kn MPSHIO VV 18 l7 l6 [5 14 13 12 ll ll] 3 PT2262 123456789 IT
Tel : 886-2-29162151
Fax : 886-2-29174598
URL: http://www.princeton.com.tw
Remote Control Encoder PT2262
Princeton Technology Corp.
UHF Band Address-only (Zero Data) Zero-Stand-by Transmitter Circuit is
recommended.
1N4148 x 4 4.7 Q + \\ Rose a . 47uf 1 430K - c I“ IRED C1815 470Kfl . 7N | f/ rgm—c C1815 / fl 2.7m x4 mnmmuunnm D PT2262 “Km” lN4l48x2 H l , k , :4 Pan sw4 \, \fsws IT
Tel : 886-2-29162151
Fax : 886-2-29174598
URL: http://www.princeton.com.tw
Remote Control Encoder PT2262
Princeton Technology Corp.
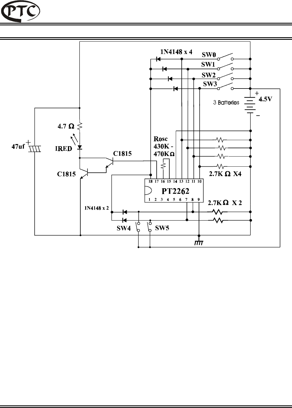
Infrared Ray 6-Data Circuit. Adjust Rosc to get 38 KHz Carrier Pulse at DOUT Pin is
recommended.
@ Ordering Information
Tel : 886-2-29162151
Fax : 886-2-29174598
URL: http://www.princeton.com.tw
Remote Control Encoder PT2262
Princeton Technology Corp.
Valid Product No. Package
PT2262 18 Pins, DIP
PT2262-S18 18 Pins, SO
PT2262-IR 18 Pins, DIP
PT2262-S 20 Pins, SO
PT2262-IR-S 20 Pins, SO
PT 2262 - XX - X
Package Code :
Output Type :
Product Number
PTC Prefix
P : Plastic DIP (this code can be omitted)
S : Small Outline, 20 Pins
S18 : Small Outline, 18 Pins
RF : RF Application (can be omitted)
IR : IR Application

Products related to this Datasheet

KEYFOB 4-BUTTON RF REMOTE CONTRO
2KM LONG RANGE RF LINK KITS W/ E
KEYFOB 2-BUTTON RF REMOTE CONTRO
KEYFOB SINGLE BUTTON RF REMOTE C