GSPS Converter Wideband Front-End Design
Contributed By DigiKey
2014-05-28
As converter technology improves, so does the demand to resolve very-high intermediate frequencies (IF) accurately, even at high speeds. This poses two challenges: the converter design itself and the front-end design that couples the signal content to the converter. Even if the converter itself is excellent, the front end must be capable to preserve the signal quality. High frequency, high-speed converter designs exist in many applications today, with RADAR, wireless infrastructure and instrumentation pushing these boundaries. These applications demand the use of high-speed, GSPS converters with resolutions of 8 to 14 bits.
Wideband, as defined in this paper, is the use of signal bandwidths greater than +100 MHz and ranging into the +1-4 GHz frequencies. In this paper, what defines a wideband passive network will be discussed, as well as highlighting the specifications that are important when choosing a transformer or balun along with the current configuration topologies used today. Lastly, considerations and optimization techniques will be revealed in order to realize a workable wideband solution in the GHz region.
Laying the foundation
It is natural to gravitate to GSPS converters for applications such as RADAR, instrumentation and communication observation because this offers a wider frequency spectrum or Nyquist band. However, a wider frequency spectrum poses even more challenges on the front-end design. Just because you purchase a converter with a +1 GHz Nyquist, you still have to wrap the right components around it and pay closer attention to the circuit’s construction, i.e. – front end. Those challenges are escalated when the application calls for +1 GHz super-Nyquist sampling, where spectral information must be captured in the 2nd, 3rd, or 4th Nyquist zone.
Quick note on bandwidth
First, some notes on bandwidth should be discussed. Keep in mind that a converter’s full-power bandwidth is different from converter “useable or sample” bandwidth. Full-power bandwidth is the bandwidth that the converter needs to acquire signals accurately and for the internal front end to settle properly. Selecting an IF and using the converter in the edge of this region is not a good idea as results will widely vary in the system. Based on the rated resolution and performance stated in the converter’s datasheet, the full-power bandwidth is much bigger (possibly 2x) than the sample bandwidth of the converter itself. Sample bandwidth is what the design is centered around. All designs should avoid using some or all of the highest frequency portions of the rated full-power bandwidth; by doing so, expect a de-rating in dynamic performance (SNR/SFDR). To determine the sample bandwidth of the converter, consult the datasheet or application support as sometimes this is not given. Typically the datasheet has specified or even listed production-tested frequencies that guarantee delivered performance within the converter’s sample bandwidth. However, better explanations about these bandwidth terms in the industry need to be specified and defined.
Balun characteristics and imbalance
Once the application bandwidth and converter are known, choose the front-end topology, amplifier (active), or transformer (passive). The tradeoffs between the two are long and also depend on the application. For more information on this subject specifically, please see Reference 3. From here on out, the basis of this paper will concentrate on transformer/balun coupled front-end designs. Also, the term “balun” will be used in the context that is referring to a transformer or balun. Even though there are differences between the two in their construction and topology, the assumption is that a passive device is used to couple and build the front end, which converts the incoming IF of interest from a single-ended signal to a differential one.
Baluns have many different characteristics than an amplifier and should be considered when choosing the device. Voltage gain, impedance ratio, bandwidth and insertion loss, magnitude and phase imbalance, and return loss are a few considerations. Other requirements may include power rating, type of configuration (such as balun or transformer), and center-tap options. Designing with baluns is not always straightforward. For example, balun characteristics change over frequency, thus complicating the expectation. Some baluns are sensitive to grounding, layout and center-tap coupling. It is wise to not fully expect the datasheet of the balun to be the sole basis on which to choose it. Experience can play a huge role here as the balun takes on a new form when PCB parasitics, external matching networks, and the converter’s internal sample and hold circuit (load) also become part of the equation.
The important characteristics of choosing a balun are summarized by the following as a guide:
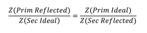
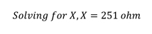
Signal gain is ideally equal to the turns ratio of the transformer. Although voltage gains within a balun are inherently noise-free, using a balun with voltage gain does gain the signal noise. There can also be a significant tradeoff in bandwidth. Baluns should be viewed simplistically as a wideband passband filter with nominal gain. Therefore, the typical trend is the more signal gain in the balun the less bandwidth. Voltage gains with baluns can be highly variable, allowing for more significant ripple and roll-off to be obtained when it is not wanted. Finding a 1:4 impedance ratio transformer with good GHz performance is difficult today. In summary, user be wary; thoughts of using 1:4, 1:8 and 1:16 impedance ratio balun to improve or optimize Noise Figure within the final signal chain stage should be well thought out and verified in the lab. Since bandwidth options become limited, as well as performance, the tradeoffs are significant, forcing the performance to be no better than a 1:1 or 1:2 impedance ratio design when designing in GHz regions. Insertion loss of the balun is simply the loss over the specified frequency range and is the most common measurement specification found in any balun datasheet. This will definitely change when implemented in the circuit. Typically, you can expect half the frequency range that is specified in the datasheet. Some are worse than that, depending on the balun’s topology and sensitivity to load parasitics (capacitance). This is probably the most misunderstood parameter about baluns as they are optimized without load parasitics in an ideal impedance situation, i.e. they are characterized with a network analyzer. Return loss is the balun’s mismatch of the effective impedance of the secondary’s termination as seen by the primary. For example, if the square of the ratio of secondary to primary turns is 4:1, one would expect a 50 ohm impedance to be reflected onto the primary when the secondary is terminated with 200 ohms. However, this relationship is not exact; the reflected impedance on the primary changes with frequency as shown in the following example.
First, find the return loss at the center frequency specified for the design. In this example 110 MHz is used. Zo is found to not be 50 ohm as assumed for an ideal transformer. It is lower as found in Equation 3.


Next, ratio the primary Zo found in Equation 3 and secondary ideal impedance. Do the same for the primary ideal and solve for the real secondary impedance.

What this example proves is that a 251 ohm differential termination should be present on the secondary to reflect a 50 ohm load on the primary. Otherwise, the preceding stage in the signal chain ends up driving a heavier load (~40 ohm). This leads to more gain in the preceding stage. More gain and misrepresented load conditions leads to more distortion that the converter will “see” and therefore limit the system’s dynamic range. In general, as the impedance ratio goes up, so does the variability of the return loss. Keep this in mind when designing a “matched” front end with a balun.
Magnitude and phase imbalance are the most critical performance characteristics when considering a balun. These parameters provide a good measure of how each single-ended signal is off from the ideal; equal in magnitude and 180 degrees out of phase. These two specifications give the designer a perspective on how much signal linearity is being delivered to the converter when a design calls for high (+1000 MHz) IF frequencies. In general, the more they deviate, the worse the degradation in performance can be expected. Stick to those transformers or baluns that publish this information in the datasheet as a start. If the information is not present in the datasheet, this may be a reason why this is not a good choice for this high-frequency application. Remember, as frequency increases, the nonlinearities of the balun also increase, usually dominated by phase imbalance, which translates to worse even-order distortions (mainly 2nd harmonic or H2) as seen by the converter. Even 3 degrees of phase imbalance can cause a significant degradation in performance in spurious free dynamic range or SFDR. Do not be quick to blame the converter, look at the front-end design first if the expected datasheet spurious is way off, especially the H2.
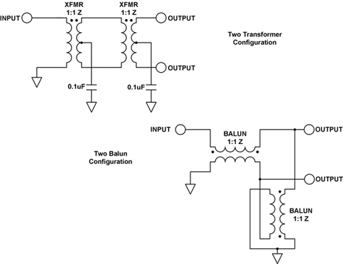
There are some solutions to combat against 2nd harmonic distortions when using a balun at higher frequencies. Try using multiple transformers or baluns in a cascaded fashion. Two, as shown in Figure 1, and in some cases, three baluns can be used to help convert the single-ended signal to differential adequately across high frequencies. The downside is space, cost and insertion loss. The other suggestion is to try different baluns. Better single-solution baluns are out there; Anaren, Hyperlabs, Marki Microwave, Minicircuits, and Picosecond to name a few. These have patented designs that use special topologies allowing for extended bandwidth in the GHz region, providing a high level of balance which only employs a single device, and in some cases, is smaller than the standard ferrite footprints that are commonly used today.
Remember, not all baluns are specified the same way by all manufacturers, and baluns with apparently similar specifications may perform differently in the same situation. The best way to select a balun for the design is to collect and understand the specs of all baluns being considered, and request any key data items not stated on manufacturers’ datasheets. Alternatively, or in addition, it may be useful to measure their performance using a network analyzer or on the system board in front of the converter.

One final note when using a single or multiple balun topology, layout plays an equally important role in phase imbalance as well. Keeping performance optimized at higher frequencies means keeping the layout as symmetric as possible. Otherwise, slight mismatches in traces on the front-end designs that use a balun can be proven useless (dynamic range limiting).
Front-End Match
First off, the word “match” is a term that should be used wisely. It is almost impossible to “match” a front end at every frequency today with 100 MSPS converters, let alone over a +1000 MHz band. The term match should be positioned to mean optimization yielding the best results given the front-end design. This would be an all-inclusive term where impedance, AC performance, signal-drive strength, and bandwidth and passband flatness yield the best results for that particular application.
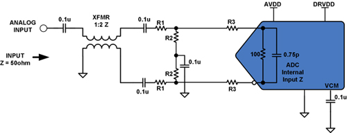
This means each parameter should have a particular weight of importance per the application. In some cases, bandwidth (BW) might be the most important spec, and therefore other parameters are allowed to suffer a bit if the right amount of BW can be achieved. In this example (see Figure 2), the input network for a GSPS converter is shown. Each resistor in the network is like a variable. However, as each of these resistor values are varied to create essentially the same input impedance, the performance parameters will change as shown in Table 1.

| Performance Specs | Case 1 – R1=25 Ω, R2=33 Ω, R3=33 Ω | Case 2 – R1=25 Ω, R2=33 Ω, R3=10 Ω | Case 3 – R1=10 Ω, R2=68 Ω, R3=33 Ω |
| Bandwidth (-3 dB) | 3169 MHz | 3169 MHz | 1996 MHz |
| Pass-Band Flatness (2 GHz Ripple) | 2.34 dB | 2.01 dB | 3.07 dB |
| SNRFS at 1000 MHz | 58.3 dBFS | 58.0 dBFS | 58.2 dBFS |
| SFDR at 1000 MHz | 74.5 dBc | 74.0 dBc | 77.5 dBc |
| H2/H3 at 1000 MHz | -74.5 dBc/-83.1 dBc | -77.0 dBc/-74.0 dBc | -77.5 dBc/-85.6 dBc |
| Input Impedance at 500 MHz | 46 Ohms | 45.5 Ohms | 44.4 Ohms |
| Input Drive at 500 MHz | +15.0 dBm | +12.6 dBm | +10.7 dBm |
Table 1: Measured performance matching versus three front-end case designs.
Essentially, the impedance matching network is roughly the same but the yielded results between these three examples are different across the measured parameters needed to design the front-end network. The match here is the best result for all the parameters involved, where in this case over 2.5 GHz of BW was required. This narrows the choices down to Case 1 and 2 (see Figure 3).

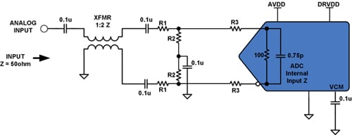
Looking further between Case 1 and Case 2, it can easily be seen that Case 2 would be more desirable for two reasons. One, the passband flatness only has 2 dB of ripple across the 2 GHz region; and two, the input drive is 3 dBm less than Case 1. This puts less of a constraint on the RF gain further up the signal chain in order to achieve full scale of the converter on the primary of the balun. Case 2 seems to be the best “match” in this example.
Summary
GSPS converters offer “ease of use” in theory when it comes to sampling wider bandwidth to cover multiple bands of interest or relieve a mix-down stage on the front-end RF strip. However, achieving bandwidth in the +1 GHz range can pose challenges to designing a high-performance converter front-end network. Keep in mind the importance of specifying a balun where phase imbalance will become important in what the converter understands as optimal, such as order linearity. Even when a balun is chosen, do not throw away its performance by using poor layout techniques and be wary about matching the network properly. Remember there are many parameters that need to be met in order to satisfy the “match” for your particular application.
References
- Transformer-Coupled Front-End for Wideband A/D Converters – Analog Dialogue, April 2005
- Wideband A/D Converter Front-End Design Considerations – When to Use a Double Transformer Configuration– Analog Dialogue, July 2006
- Wideband A/D Converter Front-End Design Considerations II - Amplifier- or Transformer Drive for the ADC? – Analog Dialogue, February 2007
- AN-827, A Resonant Approach to Interfacing Amplifiers to Switch-Capacitor ADCs
- AN-742, Frequency Domain Response of Switched-Capacitor ADCs
- AN-912, Driving a Center-Tapped Transformer with a Balanced Current-Output DAC
Disclaimer: The opinions, beliefs, and viewpoints expressed by the various authors and/or forum participants on this website do not necessarily reflect the opinions, beliefs, and viewpoints of DigiKey or official policies of DigiKey.