Buck Converters for SSL Applications
Contributed By Convergence Promotions LLC
2011-05-27
Buck converters are highly efficient, self-regulating power supplies. When properly understood and designed, they can provide low-loss current sources to drive LED arrays.
The buck converter is one of the most common and often used Switch Mode Power Supply (SMPS) topologies. This topology is also called a down converter because of its main feature: the output voltage is always lower than the input voltage. A buck converter can be remarkably efficient (easily up to 95 percent for ICs) and self-regulating, which makes it useful for tasks such as converting the 12 V to 24 V typical battery voltage in a laptop down to the few volts needed by the processor. This topology can be used not only to convert voltage, but is also suitable to act as a current source, depending on the control method.
This article discusses the general principles and considerations when designing a buck converter, especially a buck converter for LEDs in boundary conduction mode with valley detect. It includes a section on losses and key component calculation. This article can be used when designing a buck converter with several of NXP’s LED driver ICs, such as the SSL1523, SSL1623, SSL2101, SSL2102, and UBA 3070. Dimmability and mains dimmability are not discussed, as these are specific for each IC solution.
- Theory of operation shows how voltages and currents flow during one converter cycle. It also gives a short overview of the trade-off between CCM and BCM/DCM modes.
- Key components design procedure gives information on how to design key components, such as the inductor value. It describes the resulting calculation of peak current when BCM, with valley detection, is used.
- Power calculations gives designers an insight into the loss mechanisms in the converter, and how their choices affect efficiency
- Current tolerance and stability discusses both issues.
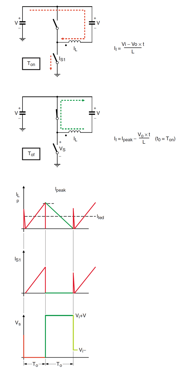
The operation of the buck converter is relatively simple, with an inductor and two switches that control the inductor input current. It alternates between connecting the inductor to source voltage to store energy in the inductor, and discharging the inductor into the load. Figure 1 shows a simplified application diagram of a buck converter, connected to a voltage supply and a load. For a basic understanding of the application, VI and Vo can be considered as DC. In a practical application, a MOSFET or bipolar transistor replaces the S1, and a diode replaces the S2.

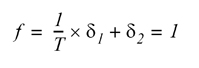
The circuit is defined by the state of the switches. With two switches there are four modes, but not all of them are applicable. Modes 1 and 2 are the most important, and nearly always present while Mode 3 is only present in Discontinuous Conduction Mode (DCM). Mode 4 must be prevented, since this would short circuit the supply. The state of the switches in Modes 1 to 3 is displayed in Table 1.
| Mode | S1 | S2 | Duration |
| 1 | On | Off | δ1xT |
| 2 | Off | On | δ2xT |
| 3 | Off | Off | δ3xT |
Table 1: Possible modes of operation.
Operation of the buck-back converter is briefly explained below. Figure 2 shows the equivalent circuit diagrams for the first two modes. Simplified waveforms for one complete switching cycle are also shown.
During the time δ1 x T (Mode 1), switch S1 is switched on and a current starts to flow through the inductor L. At the moment switch S1 is switched off, the secondary switch S2 is closed and a current starts to flow towards the output. During the conduction time of switch S2, the energy in the inductor is reduced. δ3 is entered when the current through switch S2 has decreased to zero. The mode of operating just described is called Discontinuous Conduction Mode (DCM). The border between DCM and Continuous Conduction Mode (CCM) is reached when the time δ3 x T has become zero. This is called Boundary Conduction Mode (BCM).

Figure 2: Buck waveforms — Discontinuous Conduction Mode.
Switch S2 is often replaced by a diode. It must be ensured that only Mode 3 is entered when the current through the inductor is zero. If both switches open when there is still current running through the inductor, the current will try to seek another path, and a very high voltage peak will be the result. This peak might damage the switches or the inductor. Using a suitable diode will prevent this.
Both Continuous Mode and Discontinuous Mode buck solutions are common, and each solution has the following specific advantages and disadvantages:
- The CCM converter has less input and output current ripple than the Discontinuous Mode version, so it requires less additional filtering.
- The CCM converter has lower core losses because less of the BH-curve is utilized. It must, however, have an inductor value inversely proportional to the current ripple, which results in a much bigger core and more windings. This counters the lower core losses, and results in more wire losses.
- The CCM converter cannot be regulated to low current values; the control margin is determined by the current ripple.
- The DCM converter has no hard current switching when S1 conducts, so a switching method, which is optimized only for low switch-off losses, can be used.
- The DCM converter makes full use of magnetic energy storage, so it can work with a smaller inductor.
A BCM converter offers even more advantages, because Discontinuous Mode has a dead time in which the inductor is not used. It offers the smallest size, the lowest switching losses, and full dimmability. The ripple current at both the input and output is, however, higher, so more buffering and filtering is needed to reduce this and to reach mains conducted emission standards like FCC15 and IEC55015.
Key components design procedure
This section guides you through the procedure for designing a Boundary Conduction Mode buck converter for SSL applications.
Output current versus peak current
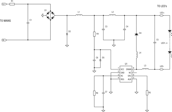
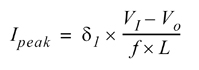
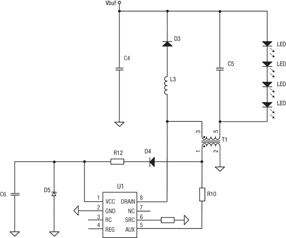
A typical minimal buck application circuit driving one string of LEDs is shown in Figure 3. The starting parameters to design such a circuit are the required LED current and the LED voltage. Assuming the converter works exactly in Boundary Conduction Mode, the relation between output current and inductor peak current is straightforward:

Because the same inductor is used (L3 in the schematic) for charging and discharging energy, there is a direct dependency between δ1 and δ2, the LED forward voltage, and input voltage:


Figure 3: Typical buck application.
Remark:
In Figure 2, the LED assembly is connected above L3. This is to prevent the LEDs having a voltage variation equal to the drain voltage. Because the LED assembly is sizable with extended wires and a heatsink, it has substantial capacitive coupling to the surroundings. This capacitive coupling would have a devastating effect on efficiency and EMC.
Inductor dimensioning
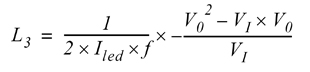
Since there is a direct relationship between the sum of stroke times and the converter frequency, the inductor value can be easily derived when the converter frequency is chosen:


Combining Equation 1, Equation 2, Equation 3, and Equation 4 results in Equation 5:

Example: f = 100 kHz, Iled = 700 mA, VI = 200 V, VO = 100 V. Ipeak = 1.4 A, δ1 = 50%, L3 = 357 μH. t1 = 5 μs, t2 = 5 μs
and:
f = 100 kHz, Iled = 700 mA, VI = 200 V, VO = 10V. Ipeak = 1.4A, δ1 = 5%, δ2 = 95%, L3 = 67.8 μH, t1 = 0.5 μs, t2 = 9.5 μs.
Valley detect
The next converter cycle can start just after t2 has ended and the converter current has reached zero, but in doing this, the switch will switch on again with substantial voltage over it. There is a certain amount of capacitance over the supply and the switch, which is built up of several components:
- The parallel capacitance of the inductor
- The reverse charge of the freewheel diode
- The drain-gate capacitance of the switch.

Example: f = 100 kHz, Vsw = 200 V, Cp = 100 pF. Psw = 200 mW.
As a result, the switch will heat up and efficiency will go down. To overcome this, a feature has been built in that is unique for NXP converters. This feature is called valley detect. This is special circuitry that senses when the voltage on the drain of the switch has reached its lowest value. Then the next cycle is started. As a result, switching losses can decrease significantly.
There is, however, another effect. A time (t3) is introduced in which there is little current running in the inductor. This time will last half the period of the resonant frequency:

Example: Lp = L3 = 357 μH, Cp = 100 pF, tvalley = 0.594 μs.
To be most effective, two conditions must be met:
- The excitation voltage (= VO) must be close to half the input voltage.
- The LpCp combination must be under dampened.

Rser = the serial dampening resistor within the LpCp circuit, and consists of coil resistance and magnetic losses.
Example: VI = 200 V, VO= 100 V = 0.5VI, OK. Rser = 1, Cp = 100 pF, L3 = 357 μH. -1.43 x 10^ - 13 << 0. OK.

Figure 4: Valley detect waveforms.
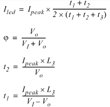
However, in order to reach the same LED current, the peak value must be adjusted and this, in turn, will alter the converter frequency. The average current towards the output is given with Equation 9, Equation 10, Equation 11, and Equation 12:

Combining Equation 9, Equation 10, Equation 11, and Equation 12 results in Equation 13:

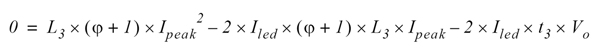
And when written out, this gives Equation 14:

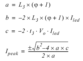
This second order function can be solved using the ABC formula:

Example: φ = 1, a = 0.714 × 10−3; b = -1 × 10−3, c = -83.1 x 10-6, Ipeak = 1.48 A, t1 = 5.28 μs, t2 = 5.28 μs, t3 = 0.594 μs, f’ = 89.6 kHz.
Peak current limit
In the example schematic, resistor R5 limits the peak current. When the voltage level over this resistor reaches a threshold, the cycle will stop, and the switch will stop conducting. This threshold can be used to control peak current. Using peak current control, the LED current is half the peak current in BCM mode. Also, the tolerance on this detection is proportional to the tolerance on the LED current. If we call the threshold level Vocp, then Equation 19 can be used:

Example: Ipeak = 1.48 A, Vocp = 0.52 V, R5 = 0.35Ω
Ripple current calculation
Component C5 filters the current through the LEDs, so this current will approach the average current through the inductor. The remaining alteration is called ripple, and can be expressed as a percentage of the average current as indicated. If the current waveform is symmetric, which will be the case with buck converters, the average will be half the sum of the maximum and minimum current. The next formula gives an approximate result of the ripple current:

In the formula above, Rdyn is the differential resistance of the LED string at the rated average current. This value is derived by taking the tangent of the UI graph for the respective LED. It is not the division between voltage and current at the point of operation.
Example: Ten LEDs are used in series at 100 mA. Each LED has a dynamic resistance of 1Ω, so the total dynamic resistance is 10Ω. At a ripple of 5 percent and a frequency of 100 kHz, C5 will be 3.18 μF.
OR: One LED is used at 1A. It has a dynamic resistance of 0.1Ω. At a ripple of one percent and a frequency of 100 kHz, C5 will be 1.6 mF.
The value calculated within this formula is intended to filter ripple current caused by converter operation. This value is not intended to filter current variation due to input voltage fluctuation. Often, the input voltage ripple, especially when rectifying and buffering 50 Hz to 60 Hz mains voltage, has an amplitude that does not allow the linear approximation, as used in the previous formula. For mains buffer calculation use Equation 21:

where: Ptot = Pin + IC losses.
Inductor design parameters
In buck converter designs, the importance of the main inductor L3 quality is often underestimated. To achieve a highly efficient solution, not only the inductance value, but also the ohmic losses, saturation current, proximity losses, core losses, parasitic capacitance, and stray magnetic fields are important. Not understanding the functionality, and implementing an optimized component, will result in either inferior performance or an impractical design. The next few sections give some guidelines.

Figure 5: Valley detect waveforms.
For core material, each manufacturer has another code. For applications between 50 kHz and 200 kHz, 3F3 (Ferroxcube), N87 (Epcos) or TP4 (TDG), are recommended. Select the material that has the optimum lowest loss at the working temperature. A core material not suitable for the effective frequency of the converter will give high core losses.
| Aspect | Pot Core; RM Core | Double slab core | E core | Ec; ETD Cores | PQ Core | EP Core | Toroid |
| core costs | high | high | low | medium | high | medium | very low |
| bobbin costs | low | low | low | medium | high | high | none |
| winding costs | low | low | low | low | low | low | high |
| winding flexibility | good | good | excellent | excellent | good | good | fair |
| assembly | simple | simple | simple | medium | simple | simple | none |
| mouting flexibility | good | good | good | fair | fair | good | good |
| heat dissipation | poor | good | excellent | good | good | poor | good |
| shielding | excellent | good | poor | poor | fair | excellent | good |
Table 2: Ferrite core comparative geometry considerations.
Core type selection
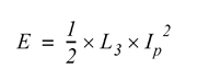
Core geometry depends on several factors, such as cost, flexibility, shielding and utilization factors. A core can have an inner core that results in a round or square winding shape. The stray inductance can vary with core shape. Core size is determined by the maximum stored energy in the inductor together with the required air gap. A core with a large air gap can store more energy than a core with a small air gap. In practice, for Discontinuous Mode converters, an optimum design is reached when core losses and winding losses (proximity and skin losses) are balanced. A compromise has to be made between high storable energy levels, low leakage inductance, and small tolerances on the inductance. Using Equation 22, the maximum energy stored in the inductor can be calculated.

Example: Core type: L3 = 357 μH, Ip = 1.48 A. E = 0.39 x 10−3 J.
Table 3 shows the RM core types which can be applied:
| Core type | Material | Ag (μM) | Ue (N/A2) | Le (mm) | Al (nH) | Ae (mm2) |
| RM4 | 3H3-A100 | 160 | 154 | 20.9 | 100 | 11.0 |
| RM4/I | 3F3-A160 | 110 | 215 | 28.3 | 160 | 13.8 |
| RM5 | 3H3-A250 | 110 | 201 | 21.2 | 250 | 21.2 |
| RM5/I | 3F3-A250 | 130 | 186 | 23.1 | 250 | 24.8 |
| RM6S | 3H3-A315 | 120 | 221 | 26.8 | 315 | 31.4 |
| RM7/I | 3F3-A250 | 240 | 135 | 30.0 | 250 | 44.1 |
| RM8 | 3H3-A630 | 90 | 342 | 35.6 | 630 | 52.0 |
| RM10/I | 3H3-A1000 | 110 | 367 | 44.6 | 1000 | 96.6 |
Table 3: Core selector.
Calculate windings
Al is often specified in the data sheet of the core material. It relates to the inductive value of a single turn on the selected core. Using this figure, and knowing the inductance, the calculation of the winding number is quite straightforward, as shown in Equation 23:

Example: Core type: RM8 3H3-A630, Al = 630 nH, L3 = 357 μH, N = 24
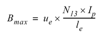
A practical value for Np can be obtained by rounding the calculated value to its nearest integer. As a double check, the maximum magnetic B-field is determined by the magnetic material. Also be informed that the peak value of the B-field reached during operation has a substantial impact on core losses. We will not discuss these losses further, but as a rule of thumb, the B-field in the magnetic material should remain below the specified Bmax of the material. The B-field can be estimated using Equation 24:

Example: Core type RM8 3H3-A630. N = 24, Ip = 1.48, ue = 342, le = 35.6, Bmax = 342 x 24 x 1.48/35.6 = 338 mT.
Auxiliary winding count
The auxiliary winding can be used for two purposes. Firstly, it can sense demagnetization of the inductor, and secondly, it can generate the required voltage to power the controller. If the winding is generated for demagnetization only, the voltage can be much smaller than when using the winding to generate the Vcc. This affects the winding ratio. For demagnetization detection, both the negative and positive voltage should be larger than the threshold level. For Vcc generation using a single diode rectifier, it is most efficient to take the longest time of δ1 and δ2 and dimension the winding accordingly. For interval δ2, Equation 25 applies:

Example: At Vo(min) = 100 V, Nl3 = 24, Vaux = 14 V. Naux = 3.36 rounded up to 4.
Note that the voltage on the auxiliary winding should always be higher than the minimum Vcc voltage, as required by the IC. There is voltage loss over the inductor and the rectifier diode, and there is ripple on the Vcc due to discharge. All these factors have to be taken into account. There is a direct relationship between voltage on the auxiliary winding and converter output voltage. The output voltage depends on the sum of forward voltages of the attached LEDs, so the minimum Vf should be taken as the starting point for checking if sufficient voltage is available on the auxiliary winding.
Select wire diameters
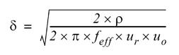
Wire diameter selection is a trade-off between available winding area, ohmic losses, proximity losses, and skin losses. As rule of thumb, when using wire sizes below 0.6 mm diameter at operating frequencies below 200 kHz, the skin losses are negligible. Above 0.6 mm diameter, it is recommended that Litze wire or multiple strands are used. Skin depth can be calculated using Equation 26:

In which: uo = 0.4 × pi × 10−6, ρ = resistivity = 17 X 10−9 (copper). Ur (copper) = 1.
Example: At 100 kHz sinusoidal current, using copper, the skin depth will be 0.21 mm.
The effective frequency does not correspond to the converter frequency, but to the harmonics of the applied waveform. For a triangular wave current, the amplitude and frequency of the waveforms can be deducted using Fourier analyses. The amplitude of the coefficients depends on the ratio between δ1 and δ2, as can be seen in Table 4.
| Ratio | 1st | 2nd | 3rd | 4th | 5th | 6th | 7th |
| 0.05 | 0.334 | 0.165 | 0.108 | 0.078 | 0.60 | 0.048 | 0.039 |
| 0.2 | 0.372 | 0.151 | 0.067 | 0.023 | 0 | 0.010 | 0.003 |
| 0.5 | 0.405 | 0 | 0.045 | 0 | 0.016 | 0 | 0.008 |
Table 4: Harmonics amplitude coefficients.
A higher converter ratio will also give more high order harmonics, as well as increased core and proximity losses in the transformer. These harmonics must be filtered in order to be EMC compliant, so more, or better, input and output filtering is required. The ohmic losses depend on the peak currents in the wires. They can be estimated by simply calculating the wire resistance, and calculating the average power dissipation in the wire. As an approximation, the current density should be between 300 and 500 CM (Circular Mills)/ampere. Table 5 shows wire sizes relative to current:
| Dia (mm) | Nearest AWG | Area (mm2) | Area (cm) | DC Res. Ohm/M | Typical Current (Amp) |
| 0.1 | 38 | 0.008 | 15 | 2.195 | 0.04 |
| 0.2 | 32 | 0.031 | 62 | 0.549 | 0.15 |
| 0.25 | 30 | 0.049 | 97 | 0.351 | 0.24 |
| 0.315 | 28 | 0.078 | 154 | 0.221 | 0.38 |
| 0.355 | 27 | 0.099 | 195 | 0.174 | 0.49 |
| 0.4 | 26 | 0.126 | 248 | 0.137 | 0.62 |
| 0.56 | 23 | 0.246 | 486 | 0.070 | 1.22 |
| 0.71 | 21 | 0.396 | 781 | 0.044 | 1.95 |
| 16 x 0.2 | — | 0.503 | 992 | 0.034 | 2.48 |
| 37 x 0.2 | — | 1.162 | 2294 | 0.015 | 5.73 |
| 61 x 0.2 | — | 1.916 | 3782 | 0.009 | 9.45 |
Table 5: Wire selection table.
Vcc generation dimensioning
When the auxiliary winding is also used for Vcc generation, one should take the following aspects into account:
- At startup, the converter is not working, so no voltage is generated in the auxiliary winding. There should always be a startup circuit present that provides sufficient current to the Vcc for the first few cycles.
- The voltage on the auxiliary winding depends on the output voltage, so one should use the worst case situations to calculate whether minimum power demands are met, and if dissipation and current values are within limits.
- Voltage is only present during part of the cycle. The average current flowing towards the Vcc of the IC should be sufficient to drive the IC. Thus, the peak current flowing should be higher than the required average current.
Example 2: At Vaux = 18 V, Icc = 2 mA at 12 V, δ2 = 4%. (R12) = 18 − 12 − 0.7 = 5.3 V. I(R12) = 2 mA/0.04 = 50 mA. R12 = 5.3V/50 mA = 106Ω. Rounding down gives 100 Ω. P(R12) = 10 mW.
If the circuit is dimmable, the calculation has to be redone for the worst case situation. Some ICs like the SSL1523 and SSL2101 have internal HV generation. If sufficient drain voltage is available, the IC is capable of providing its own supply. Notice that a smaller interval of current charge and a bigger tolerance leads to over-dimensioning of this circuit. It gives more losses in the serial resistor (R12), diode (D4), and inductor. The margin might be such that additional protection against Vcc over-voltage might be necessary. A zener diode (D6) is included in the circuit for this purpose.

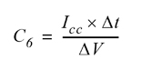
Buffer capacitance C6 calculation
When Vcc is generated, the incoming current has to be buffered in order to provide a continuous and stable voltage. The voltage drop over C6 should be such that Vcc does not drop below the minimum voltage. Equation 27 can be applied for this minimum capacitor value:

In practice, the value for C6 is chosen much higher to reduce noise and capacitive coupling with the surroundings. Between 1 μF and 4.7 μF are common values.
Demagnetization detection dimensioning On several of the NXP ICs, there is a demagnetization detection functionality. This often uses a pin that has certain minimum and maximum threshold voltage. For the NXP range of LED drivers, this level is set at +100 mV and -100 mV. There is also a negative and positive clamping diode with threshold around 0.5 V. These clamping diodes can have a maximum current level, Idemag(max). When using an auxiliary winding, the current should be limited to a level where the threshold voltages are reached and the maximum current not exceeded.
Example: At Vaux = 14 V, 100 μA < Iaux < 5 mA. Raux (R10) = 14/100 x 10-6 = 140 KΩ.
Be aware that the demagnetization detection is phase dependent. The winding direction should be opposite to the main inductor in order to start next cycle at low valley. Reversing the winding will result in switching at top detection.
Power calculations
The resulting efficiency of a buck converter is one of the critical specifications for the design. One of the things to consider is that efficiency is always relative. Part of the losses of a buck converter, like the IC Vcc generation, are fixed and depend on the IC. Because of fixed losses, efficiency tends to go down with lower output power. The variable losses consist of a number of factors, and these are discussed in the next sections. The formulas in these sections will give the designer insight into the parameters that determine the losses for each component.
Resistive switch dissipation
Besides capacitive losses from Equation 7, there are also ohmic losses in the switch. The main parameters that determine these losses are the resistance of the switch, which is expressed as RDSon for MOSFET switches and peak current. There is a momentary peak dissipation and the average dissipation:



Remark: The size of these losses is mostly determined by the peak current and RDSon of the switch.
Capacitive switch dissipation
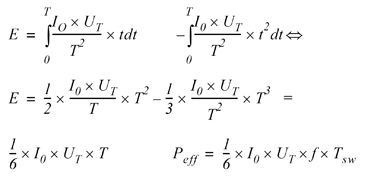
The capacitive switch losses have already been discussed. It is important to note that these losses are independent of the peak current and thus also the LED current. By using valley detection and an output voltage that is half the input voltage, these capacitive switching losses can be avoided.
Without this option, the balance between switch size causing lower RDSon losses and capacitive switch losses will shift. A bigger switch will have lower RDSon, but higher drain capacitance. In such a situation, the optimum has to be selected:
For the next examples, Ipeak = 1.48 A, t1 = 5.28 μs, Vsw1 = 100 V, f = 89.6 kHz.
Example 1: Iδ = 1.5 A, RDSon = 5.5, C = 300 pF, PRDSon = 1.9 W, Pcsw = 0.13 W, Ptot = 2.03 W
Example 2: Ιδ = 3.5 A, RDSon = 2.2, C = 550 pF, PRDSon = 0.76 W, Pcsw = 0.24 W, Ptot = 1 W
Example 3: Iδ = 13 A, RDSon = 0.42, C = 3.1 nF, PRDSon = 0.14 W, Pcsw = 1.39 W, Ptot = 1.53 W
Remark: From the three examples above, Example 2 has the best performance.
Switching losses
Besides the capacitive losses, there are also losses occurring due to hard switching of the current. This happens when the switch closes. The data sheets of ICs and MOSFETs specify a switching slope at which the FET closes. During this time, there is an overlap of the current and voltage, and this overlap causes dissipation. Assuming the current drops and the voltage rise is linear within a fixed time “T,” the dissipation can be calculated:



This dissipation increases with the switching time. When using valley detection, these losses are reduced at switch-on, and are still present at switch-off.
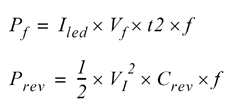
Freewheel diode losses
The freewheeling diode has two loss mechanisms: The forward losses and the reverse charge losses. The forward, or conductive, losses can be estimated using the time versus the current and voltage drop given in Equation 37 and Equation 38.

Pf = 230 mW, Prev= 18 mW.
The forward voltage of the diode can be lowered using a Schottky diode, but these diodes are often difficult to obtain with reverse voltages above 100 V. Also, care should be taken not to oversize this diode, as this does not appreciably lower the forward losses, but the reverse charge is often directly related to the maximum current of the diode.
Inductor losses
The inductor has several loss mechanisms. Calculation of these losses is very complex, and there is much debate on the way these losses contribute to the total inductor losses. This section will simply illustrate a number of loss mechanisms within the inductor.
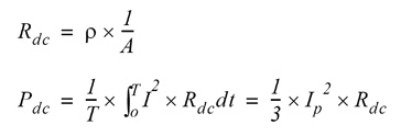
Ohmic losses
The combination of wire length and thickness causes ohmic losses. The calculation of the resistance and losses can be derived from Equation 39 and Equation 40:

Proximity losses
For proximity losses, the full calculations are outside the scope of this article. What should be made clear, however, is that they are closely related to the skin depth and the number of windings (see Figure 8).
Too many layers of wires with a radius that is close to, or below, skindepth should be avoided. Normally, the proximity losses are calculated as a factor of the DC wire resistance: Rac = n x Rdc.
Keeping low resistive losses helps to lower proximity losses. This is another drawback of the CCM mode inductor. To achieve higher inductance, more windings are required, thus increasing DC and AC resistance and countering the lower core losses.
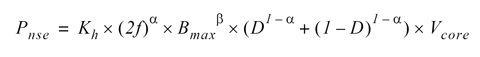
Core losses
The core losses in the magnetic material are determined by the magnetization curve and frequencies. At each converter cycle, the magnetic field in the core material is excited by the magnetic flux density, producing a curve that is highly non-linear with the saturation level and hysteresis. The surface area enclosed by the variation in B-field strength at a certain frequency determines the losses. A bigger core, a higher B-field, and a higher frequency increase these losses. The core material data sheet shows the loss per unit of volume at given frequencies (see Figure 9).

Figure 8: Proximity loss graph.

Figure 9: BH curve magnetic material.
A simple empirical formula that calculates core loss is called a Steinmetz equation as shown in Equation 41:


Example: At a duty cycle of 50%, Kh = 0.05, f = 80 (kHz), α = 1.8, Bmax = 100 mT, β = 3 and Vcore = 2.4 cm3 , the loss will be 0.05 x (160)1.84 x (0.1)3 x 3.58 x 2.4−6 = 1.36 W.
Sense resistor losses
For the sense resistor losses, Equation 30 can be applied. RDSon is replaced with a sense resistor value.
Example: Ipeak = 1.48 A, Rsense = 0.5/1.49 = 0.33 Ω, Psense = 80 mW.

Total system losses
When undertaking buck power calculations, it is vital to consider the impact of each individual loss on the total converter efficiency. To illustrate this aspect, we will take a single driver with set current, a 200 V input voltage, and we will vary the output voltage in steps. The relation between the input and output voltages is plotted on the X-axis as a ratio. Each loss mechanism will be calculated, and the resulting driver efficiency plotted.
As shown in Figure 10, the converter efficiency starts to drop at a low ratio. This is not caused by an excessive increase in losses, but by the relative decrease of useful output power. Some losses, like the magnetic core losses, and the ohmic losses in the switch, are reduced. There is an increase in the forward losses in the freewheel diode, the capacitive switching losses, and the losses due to hard switching. This makes sense, since the conduction time t2 of the freewheel diode is large, and the voltage drop over the switch is also large.
It can be seen that a very low resistance switch will be more helpful at a large ratio, such as 50 percent to 90 percent. Low switch capacitance, low forward voltage of the freewheel diode, and fast switching are more effective at a small ratio, for example five to twenty percent.
Current tolerance and stability
Current tolerance
In essence, there are only two main components that determine current tolerance: the spread on detection voltage and the tolerance sense resistor. This can be derived from Equation 43:

There is some influence possible by variation of Cp and Lp with valley detection, but in practice the time influenced is much smaller than the total cycle time.
Example: ∆Lp = 10%. δ3/T = 0.052. ∆Iled = 0.5 x ∆Lp x 0.05 = 0.25%.

Figure 11: Buck converter losses.
Current stability
For the buck using peak current control, stability is seldom an issue. Because the current is controlled per cycle, it is intrinsically stable. If some other means to stabilize the current is used, such as current mirror detection, accuracy might increase, but the loop response must be calculated. The main component that determines response at peak current control is output capacitor C5. It has to be charged and discharged. At switch-on, the discharged capacitor will have to reach working voltage first before any current flows through the LEDs and light is produced. This time is equal to the charge time of Equation 21.
Example: At ∆V = 100 V, I = 700 mA, C6 = 3.3 μF, ∆t will be at least 471 μs.
At turn-off, the diode characteristic of the LED will come in play. Instead of a sudden drop, there will be an exponential drop of current, starting with the nominal current. The LED current will slowly fade until not visible. In practice, this might take several seconds. Since the LEDs are placed in a self-rectification loop with the freewheel diode, any capacitive coupling on the drain side, or inductive coupling over the loop with an AC source, will induce a current through the LEDs. Even a small current of, for instance, 100 μA might be visible. If large, ungrounded objects like heat-sinks connected to phase are in close proximity of the LEDs, this might happen.
Summary
This article gave an overview of operations and calculations of the buck converter in Discontinuous Conduction Mode. It explained why valley detection is a key feature and showed how a number of key components can be calculated. It closed with a description of loss mechanisms in the converter and how they contribute to driver efficiency.
Abbreviations
| Acronym | Description |
| BCM | Boundary Conduction Mode |
| CCM | Continuous Conduction Mode |
| CM | Circular Mills |
| EMC | Electro Magnetic Compatibility |
| DCM | Discontinuous Conduction Mode |
| IC | Integrated Circuit |
| LED | Light Emitting Diode |
| MOSFET | Metal Oxide Semiconductor Field Effect Transistor |
| SMPS | Switch Mode Power Supply |
| SSL | Solid State Lighting |
Table 6: Abbreviations.
Disclaimer: The opinions, beliefs, and viewpoints expressed by the various authors and/or forum participants on this website do not necessarily reflect the opinions, beliefs, and viewpoints of DigiKey or official policies of DigiKey.