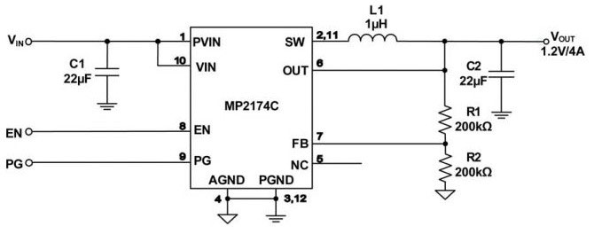
MP2174C Switch Mode Converter
MPS’ MP2174C is a 2.7 V to 5.5 V, 4 A, high-efficiency, synchronous step-down converter
Monolithic Power Systems’ MP2174C is a monolithic, step-down, switch-mode converter with built-in, internal power MOSFETs. It achieves 4 A of continuous output current from a 2.7 V to 5.5 V input voltage with excellent load and line regulation. The output voltage can be regulated as low as 0.6 V. The device has a constant on-time (COT) control scheme providing fast transient response and easy loop stabilization. Fault condition protections include cycle-by-cycle current limit and thermal shutdown. The MP2174C requires a minimal number of readily available standard external components. It is available in an ultra-small QFN-12 (2 mm x 2 mm) package making it ideal for a wide range of applications, including PDAs, portable instruments, DVD drives, and handheld devices.
- Forced PWM mode operation
- Wide 2.7 V to 5.5 V operating input range
- Output voltage as low as 0.6 V
- 4 A output current
- 35 mΩ and 18 mΩ internal power MOSFETs
- Peak efficiency above 96%
- 1.1 MHz frequency
- 100% duty cycle in dropout
- 0.5 ms internal soft-start time
- EN and power good for power sequencing
- Auto-discharge at power-off
- Short-circuit protection with hiccup mode
- Available in a QFN-12 (2 mm x 2 mm) package
- Storage drives
- Portable/handheld devices
- Low-voltage I/O system power
Evaluation Board
| Image | Manufacturer Part Number | Description | Available Quantity | Price | View Details | |
|---|---|---|---|---|---|---|
![]() | ![]() | EV2174C-G-00A | EVAL BOARD FOR MP2174C | 0 - Immediate | $2,433.09 | View Details |


