LM3424 PowerWise LED Driver

PowerWise® Constant-Current N-Channel Controller with Thermal Foldback

image of Texas Instruments' LM3424 PowerWise® LED DriverTexas Instruments' LM3424 low-side, constant-current LED driver offers integrated thermal control to ease thermal design challenges. Its thermal foldback feature reduces the need for external temperature management circuitry and increases system reliability. The WEBENCH® online design environment allows the designer to easily enter the temperature foldback and slope points and then visualize the behavior of the design at different LED temperatures. The LM3424 can be configured in buck, boost, buck-boost, and SEPIC topologies. This flexibility, along with a wide input voltage rating, makes this driver ideal for illuminating LEDs in automotive, outdoor, and indoor lighting applications.

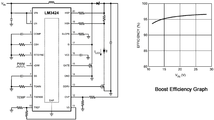
Typical Boost Application Circuit Diagram

Features and Benefits
  • LM3424Q is an Automotive Grade product that is AEC-Q100 grade 1 qualified (-40°C to +125°C operating junction temperature)
  • VIN range from 4.5 V to 75 V
  • High-side adjustable current sense
  • 2 Ω, 1 A Peak MOSFET gate driver
  • Input under-voltage and output over-voltage protection
  • PWM and analog dimming
  • Cycle-by-cycle current limit
  • Programmable slope compensation
  • Programmable, synchronizable switching frequency
  • Programmable thermal foldback
  • Programmable softstart
  • Precision voltage reference
  • Low power shutdown and thermal shutdown
Applications
  • LED Drivers - Buck, Boost, Buck-Boost, and SEPIC
  • Indoor and Outdoor Area SSL
  • Automotive
  • General Illumination
  • Constant-Current Regulators

LED Driver

ImageManufacturer Part NumberDescriptionInternal Switch(s)Number of OutputsAvailable QuantityPrice
IC LED DRIVER CTRLR PWM 20HTSSOPLM3424MH/NOPBIC LED DRIVER CTRLR PWM 20HTSSOPNo11676 - Immediate$413.75View Details
Published: 2009-10-29