Orders are typically delivered to India within 4 days depending on location.
Free delivery to India on orders of $100 USD or more. A delivery charge of $20 USD will be billed on all orders less than $100 USD.
UPS, FedEx or DHL freight pre-paid: CPT (Duty, customs, and VAT due at time of delivery)
Credit account for qualified institutions and businesses
Payment in Advance by Wire Transfer
![]()
![]()
![]()
![]()
![]()
More Products From Fully Authorized Partners
Average Time to Ship 1-3 Days, extra ship charges may apply. Please see product page, cart, and checkout for actual ship speed.
Incoterms: CPT (Duty, customs, and applicable VAT/Tax due at time of delivery)
For more information visit Help & Support
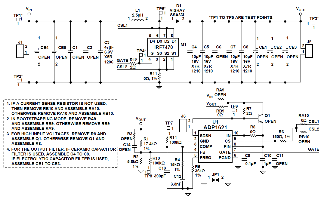
This data sheet describes the design, operation and test results of the ADP1621 Evaluation Board. The input range for the demo board is 3.0 V to 3.6 V, and the output voltage is 5 V with a maximum load of 2 A.
The switching frequency fSW is set to 600 kHz with a 36 kΩ resistor.
This design is done in all multilayer ceramic capacitors (MLCC), although other types of capacitors can be used, such as the aluminum polymer or aluminum electrolytic capacitors.
The PCB is laid out in such a way that the user can easily modify the demo board for other input and output configurations. See the Other Configurations section for more information.
The ADP1621 is a fixed-frequency, pulse-width modulation (PWM), current-mode, step-up converter controller. It drives an external N-channel MOSFET to convert the input voltage to a higher output voltage. The ADP1621 can also be used to drive flyback, SEPIC, and forward converter topologies, either isolated or non-isolated.
| Manufacturer | Analog Devices Inc. |
|---|---|
| Category | AC/DC and DC/DC Conversion |
| Sub-Category | DC/DC SMPS - Single Output |
| Eval Board Part Number | ADP1621-EVALZ-ND |
| Eval Board Supplier | Analog Devices Inc. |
| Eval Board |
Normally In Stock
|
| Topology |
Step Up
|
| Outputs and Type |
1 Non-Isolated
|
| Voltage Out: Factory Set |
5 V
|
| Current Out |
2 A
|
| Voltage In |
3 ~ 3.6 V
|
| Efficiency @ Conditions |
>85%, 3.3V in, 5V @ 0.3 ~ 2.0 A
|
| Voltage Out Range |
- Fixed
|
| Features |
Current Limit (Adj. or Fixed)
Shutdown, Enable, Standby Soft Start Synchronizable |
| Switching Frequency |
600 kHz
|
| Standby Current [Typical] |
1 µA
|
| Quiescent Current [Typical] |
1.8 mA
|
| Component Count + Extras |
25 + 7
|
| Internal Switch |
No
|
| Design Author |
Analog Devices
|
| Application / Target Market |
LCD Backlighting
Portable Devices |
| Standby Current [Maximum] |
10 µA
|
| Quiescent Current [Maximum] |
3 mA
|
| Main I.C. Base Part |
ADP1621
|
| Date Created By Author | 2006-11 |
| Date Added To Library | 2013-10 |
Co-Browse
By using the Co-Browse feature, you are agreeing to allow a support representative from DigiKey to view your browser remotely. When the Co-Browse window opens, give the session ID that is located in the toolbar to the representative.
DigiKey respects your right to privacy. For more information please see our Privacy Notice and Cookie Notice.
Yes, Continue to Co-BrowseGet fast and accurate answers from DigiKey's Technicians and Experienced Engineers on our TechForum.
Please visit the Help & Support area of our website to find information regarding ordering, shipping, delivery and more.
Registered users can track orders from their account dropdown, or click here. *Order Status may take 12 hours to update after initial order is placed.
Users can begin the returns process by starting with our Returns Page.
Quotes can be created by registered users in myLists.
Visit the Registration Page and enter the required information. You will receive an email confirmation when your registration is complete.
Orders are typically delivered to India within 4 days depending on location.
Free delivery to India on orders of $100 USD or more. A delivery charge of $20 USD will be billed on all orders less than $100 USD.
UPS, FedEx or DHL freight pre-paid: CPT (Duty, customs, and VAT due at time of delivery)
Credit account for qualified institutions and businesses
Payment in Advance by Wire Transfer
![]()
![]()
![]()
![]()
![]()
More Products From Fully Authorized Partners
Average Time to Ship 1-3 Days, extra ship charges may apply. Please see product page, cart, and checkout for actual ship speed.
Incoterms: CPT (Duty, customs, and applicable VAT/Tax due at time of delivery)
For more information visit Help & Support
Thank you!
Keep an eye on your inbox for news and updates from DigiKey!
Please enter an email address