Orders are typically delivered to India within 4 days depending on location.
Free delivery to India on orders of $100 USD or more. A delivery charge of $20 USD will be billed on all orders less than $100 USD.
UPS, FedEx or DHL freight pre-paid: CPT (Duty, customs, and VAT due at time of delivery)
Credit account for qualified institutions and businesses
Payment in Advance by Wire Transfer
![]()
![]()
![]()
![]()
![]()
More Products From Fully Authorized Partners
Average Time to Ship 1-3 Days, extra ship charges may apply. Please see product page, cart, and checkout for actual ship speed.
Incoterms: CPT (Duty, customs, and applicable VAT/Tax due at time of delivery)
For more information visit Help & Support
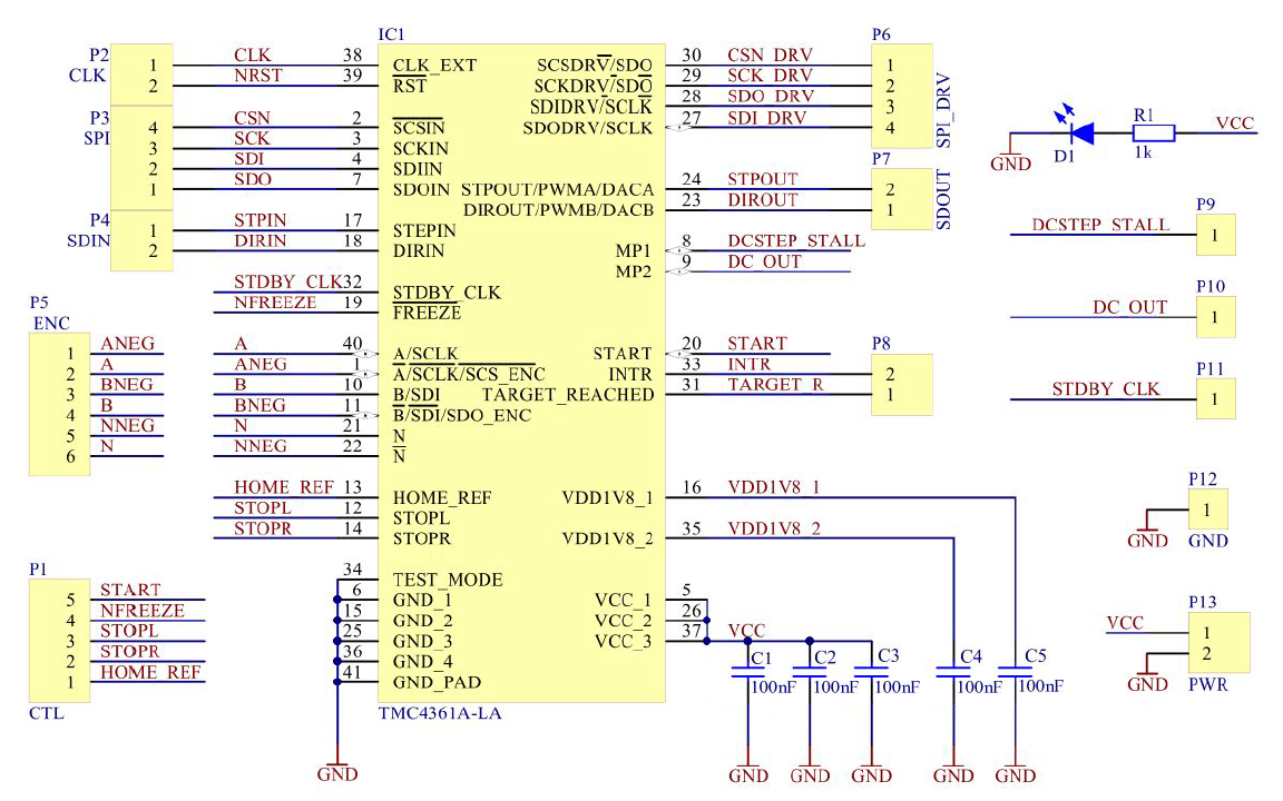
The TMC4361A breakout board is a development board with the dedicated TMC4361A-LA chip. It is designed to give users the chance to rapidly prototype their applications - making it possible to immediately check how the motor performs with TMC chips while developing the application's software.
TMC4361A is a miniaturized high-performance motion controller for stepper motor drivers, particularly designed for fast and jerk-limited motion profile applications with a wide range of ramp profiles. The S-shaped or sixPointâ„¢ velocity profile, closed-loop and open-loop features offer many configuration options to suit the user's specifications.
The S-ramp and sixPointâ„¢ ramp motion controller for stepper motors is optimized for high velocities, allowing on-the-fly changes. TMC4361A offers SPI and Step/Dir interfaces, as well as an encoder interface for closed-loop operation.
Features and additional Resources
TMC4361A-LA stepper motor servo controller with S-shaped ramps
Configuration and control via SPI and Step/Direction
SPI or Step and Direction output
Reference switch and synchronization signal inputs
Encoder interface for closed loop control
Board width 1.0", board height 1.5"
| Manufacturer | Analog Devices Inc. |
|---|---|
| Category | Motor Control |
| Eval Board Part Number | 505-TMC4361A-BOB-ND |
| Eval Board Supplier | Analog Devices Inc./Maxim Integrated |
| Eval Board |
Normally In Stock
|
| Voltage In |
3.3 V
5 V |
| Number of Motors and Type |
1, Stepper Motor, BiPolar
|
| Power / Current Out |
-
|
| Features |
Encoder Input
Microstepping Open Circuit Protection Over Current Protection SPI Interface Thermal Protection Under Voltage Protection, Brown-Out |
| Component Count + Extras |
8 + 3
|
| Application / Target Market |
Digital Cameras
Factory Automation Printer, Plotter Robotics Security IP Camera Textile Machinery |
| Design Author |
TRINAMIC
|
| Main I.C. Base Part |
TMC4361A
|
| Date Created By Author | 2017-10 |
| Date Added To Library | 2018-11 |
Co-Browse
By using the Co-Browse feature, you are agreeing to allow a support representative from DigiKey to view your browser remotely. When the Co-Browse window opens, give the session ID that is located in the toolbar to the representative.
DigiKey respects your right to privacy. For more information please see our Privacy Notice and Cookie Notice.
Yes, Continue to Co-BrowseGet fast and accurate answers from DigiKey's Technicians and Experienced Engineers on our TechForum.
Please visit the Help & Support area of our website to find information regarding ordering, shipping, delivery and more.
Registered users can track orders from their account dropdown, or click here. *Order Status may take 12 hours to update after initial order is placed.
Users can begin the returns process by starting with our Returns Page.
Quotes can be created by registered users in myLists.
Visit the Registration Page and enter the required information. You will receive an email confirmation when your registration is complete.
Orders are typically delivered to India within 4 days depending on location.
Free delivery to India on orders of $100 USD or more. A delivery charge of $20 USD will be billed on all orders less than $100 USD.
UPS, FedEx or DHL freight pre-paid: CPT (Duty, customs, and VAT due at time of delivery)
Credit account for qualified institutions and businesses
Payment in Advance by Wire Transfer
![]()
![]()
![]()
![]()
![]()
More Products From Fully Authorized Partners
Average Time to Ship 1-3 Days, extra ship charges may apply. Please see product page, cart, and checkout for actual ship speed.
Incoterms: CPT (Duty, customs, and applicable VAT/Tax due at time of delivery)
For more information visit Help & Support
Thank you!
Keep an eye on your inbox for news and updates from DigiKey!
Please enter an email address